ОСТ 1 10529-72 Замки силовые с креплением четырьмя заклепками

ОСТ 1 10529-72  ЗАМКИ СИЛОВЫЕ С КРЕПЛЕНИЕМ ЧЕТЫРЬМЯ ЗАКЛЕПКАМИ

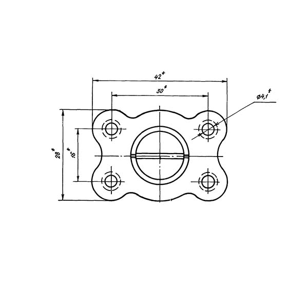
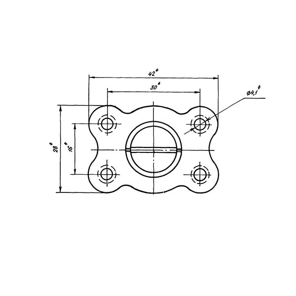
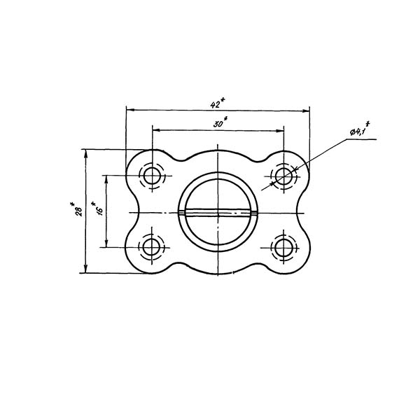
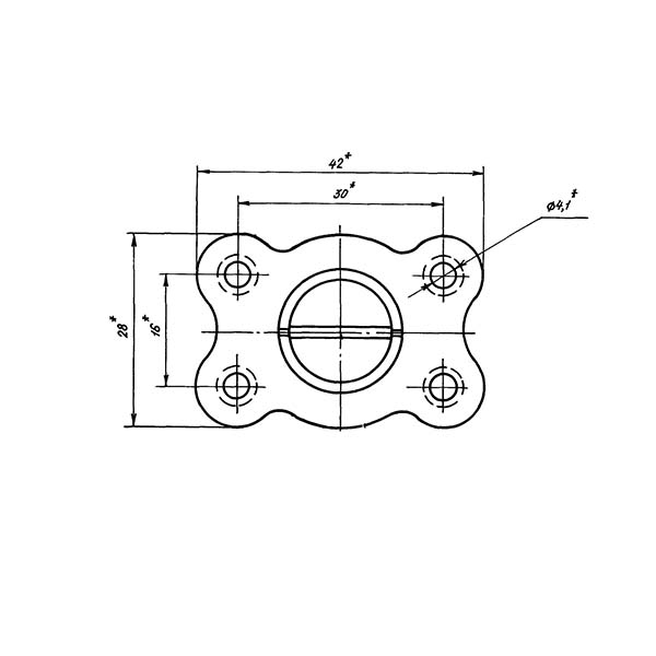
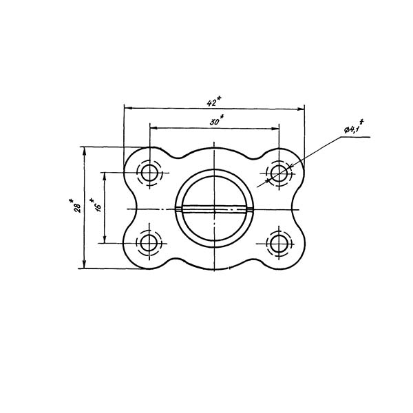
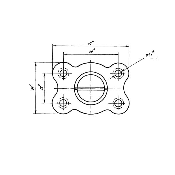
     Замки силовые по ОСТ 1 10529-72 – это крепеж, предназначенный для запирания люков самолетов и вертолетов.

КОНСТРУКЦИЯ И ТЕХНИЧЕСКИЕ ОСОБЕННОСТИ

     Конструкция состоит из нижнего корпуса и верхней крышки с креплениями под заклепки.

     Материал: сталь.

ОСТ 1 10529-72.pdf

Наименование и обозначение силового замка с креплением четырьмя заклепками типоразмера 1 из стали 30ХГСА:

Расшифровка обозначения: Замок 1-ОСТ 1 10529-72

Замок
Наименование метиза
1
Типоразмер
30ХГСА
материал
ОСТ 1 10529-72
Нормативно-технический документ

Наименование и обозначение силового замка с креплением четырьмя заклепками типоразмера 1 из стали 07Х16Н6-Ш:

Расшифровка обозначения: Замок 1-ОСТ 1 10530-72

Замок
Наименование метиза
1
Типоразмер
07Х16Н6-Ш
материал
ОСТ 1 10529-72
Нормативно-технический документ

Наименование и обозначение силового замка с креплением четырьмя заклепками типоразмера 1 из ВТ16:

Расшифровка обозначения: Замок 1-ОСТ 1 12178-75

Замок
Наименование метиза
1
Типоразмер
ВТ16
материал
ОСТ 1 10529-72
Нормативно-технический документ

ПРИМЕНЕНИЕ

     Данные замки применяются для запирания люков самолетов и вертолетов. 

АНАЛОГИ:

ОСТ 1 10530-72

ОСТ 1 12178-75

ОСТ/ГОСТНормальНаименованиеТипоразмерНа складе
ОСТ 1 10529Силовой замок1 30ХГСАВ наличии
ОСТ 1 10529Силовой замок1 07Х16Н6-ШВ наличии
ОСТ 1 10529Силовой замок1 ВТ16В наличии
ОСТ 1 10529Силовой замок2 30ХГСАВ наличии
ОСТ 1 10529Силовой замок2 07Х16Н6-ШВ наличии
ОСТ 1 10529Силовой замок2 ВТ16В наличии

Для изготовителей и поставщиков: Добавить мои товары в базу

Для покупателей: Подать заявку на покупку

НаименованиеТипоразмерМатериалКоличество, штВес, кг
Силовой замок ОСТ 1 10529
О

ОСТ 1 30055-84 Накатка кольцевая стержней болт-заклепок из титанового сплава

ОСТ 1 31076-80 Маркировка крепежных изделий взамен НОРМАЛЬ 176АТ

ОСТ 1 31076-80: Маркировка крепежных изделий (взамен НОРМАЛЬ 176АТ)

ОСТ 1 38016-80 Футорки

ОСТ 1 38020-82 Втулки

ОСТ 1 39502-77 Стопорение болтов, винтов, шпилек, штифтов и гаек

ОСТ 1 39503-77 Длины болтов и винтов

ОСТ 1 39504-79 Головки шестигранные болтов и винтов

ОСТ 1 41471-79 Формообразование концов труб тяг управления из сплава Д16Т. Типовой технологический процесс

ОСТ 1 51730-79 Оснастка для формообразования концов труб тяг управления из сплава Д16Т

ОСТ 1 51731-79 Оснастка для формообразования концов труб тяг управления из сплава Д16Т

ОСТ 1.41001-79 Диаметры отверстий под нарезание резьбы метрической по нормали 754АТ

ОСТ 1.41002-79 Диаметры стержней под нарезание резьбы метрической по нормали 754АТ и ОСТ 1.00039-73

ОСТ 92-0762-72 Болты, винты из титановых сплавов

ОСТ 92-0912-69 Детали из высокопрочных углеродистых легированных и высоколегированных сталей. ОСТ 92-0912-69

ОСТ 92-1130-85 Детали стальные точные

ОСТ 92-1179-77 Детали и сборочные единицы из сталей марок 07Х16Н6 и 08Х17Н5М3

ОСТ 92-8653-75 по ОСТ 92-8674-75 Соединения трубопроводов по внутреннему конусу

ОСТ-1-33102-80 Взамен нормали 102АТУ Гайки ОСТ-1-33102-80

Отраслевая нормаль 214АТ В замен нормали 214МТ55 метрическая резьбой со свободной посадкой

Отраслевая нормаль 714М55 pdf Кольца плоские ,стопорные технические условия

Отраслевая нормаль авиационной техники 101АТУ Взамен 201СТУ51

Отраслевая нормаль авиационной техники. Нормаль 722АТ.

Р

РЕЗЬБА МЕТРИЧЕСКАЯ

Резьба метрическая усиленная тугой посадкой сталь в алюминиевые и магниевые сплавы. Нормаль 254АТ взамен нормальный 154МТ46

Резьба метрическая. Основные размеры и допуски. Отраслевая нормаль 257АТ взамен 57АТ50 взамен 153МТ54.

РЕЗЬБА ТРАПЕЦЕИДАЛЬНАЯ

РЕЗЬБА ТРУБНАЯ ЦИЛИНДРИЧЕСКАЯ

РЕЗЬБА УПОРНАЯ

Резьба усиленная метрическая тугой посадкой сталь сталь система вала настоящая норма распространяется на резьбу усиленную метрическую тугой посадкой для сопрягаемых материалов сталь в сталь. Нормаль 122МТ53 взамен нормали 122МТ51

Резьба усиленная метрическая тугой посадкой сталь сталь система вала настоящая норма распространяется на резьбу усиленную метрическую тугой посадкой для сопрягаемых материалов сталь в сталь. Нормаль 122МТ53 взамен нормали 122МТ51

Резьбовые соединения. Резьба метрическая с натягом по посадкам 2Н5Д и 2Н5С Отраслевой стандарт ОСТ 1 04065–92

Оформите заказ или получите консультацию