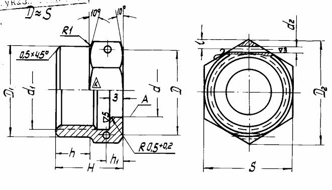
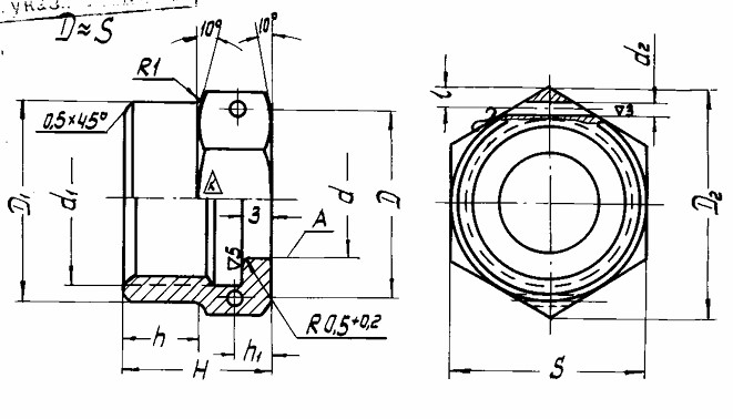
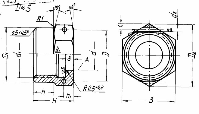
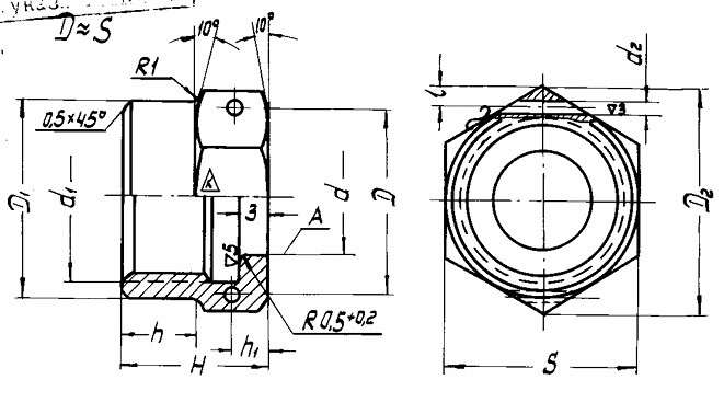
НОРМАЛЬ 2366А. СОЕДИНЕНИЯ ТРУБОПРОВОДОВ ПО НАРУЖНОМУ КОНУСУ. ГАЙКИ НАКИДНЫЕ.
Гайки по нормали 2366А – это специальный крепеж, предназначенный для соединения трубопроводов по внутреннему конусу. Взамен 418А.
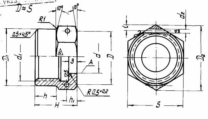
КОНСТРУКЦИЯ И ТЕХНИЧЕСКИЕ ОСОБЕННОСТИ
Конструкция гайки состоит из шестигранного стержня и внутреннего отверстия с резьбой.
Материал изготовления: сталь марки ЭИ 481.
Материал покрытия: пассивирование.
Пример наименования и обозначения гайки накидной к трубопроводу dн=12мм из стали марки ЭИ 481:
2366А - 12
ПРИМЕНЕНИЕ
Настоящий стандарт распространяется на гайки для соединения трубопроводов по внутреннему конусу.
АНАЛОГИ
Нормаль 418А.
| ОСТ/ГОСТ | Нормаль | Наименование | Типоразмер | На складе |
| Нормаль 2366А | Гайка | 6 | В наличии | |
| Нормаль 2366А | Гайка | 8 | В наличии | |
| Нормаль 2366А | Гайка | 10 | В наличии | |
| Нормаль 2366А | Гайка | 12 | В наличии | |
| Нормаль 2366А | Гайка | 14 | В наличии | |
| Нормаль 2366А | Гайка | 16 | В наличии | |
| Нормаль 2366А | Гайка | 18 | В наличии | |
| Нормаль 2366А | Гайка | 20 | В наличии | |
| Нормаль 2366А | Гайка | 22 | В наличии | |
| Нормаль 2366А | Гайка | 24 | В наличии | |
| Нормаль 2366А | Гайка | 25 | В наличии | |
| Нормаль 2366А | Гайка | 27 | В наличии | |
| Нормаль 2366А | Гайка | 28 | В наличии | |
| Нормаль 2366А | Гайка | 30 | В наличии | |
| Нормаль 2366А | Гайка | 32 | В наличии | |
| Нормаль 2366А | Гайка | 34 | В наличии | |
| Нормаль 2366А | Гайка | 36 | В наличии | |
| Нормаль 2366А | Гайка | 37 | В наличии | |
| Нормаль 2366А | Гайка | 38 | В наличии |
Для изготовителей и поставщиков: Добавить мои товары в базу
Для покупателей: Подать заявку на покупку
| Наименование | Типоразмер | Материал | Количество, шт | Вес, кг |
| Гайка Нормаль 2366А |
ОСТ 1 30055-84 Накатка кольцевая стержней болт-заклепок из титанового сплава
ОСТ 1 31076-80 Маркировка крепежных изделий взамен НОРМАЛЬ 176АТ
ОСТ 1 31076-80: Маркировка крепежных изделий (взамен НОРМАЛЬ 176АТ)
ОСТ 1 39502-77 Стопорение болтов, винтов, шпилек, штифтов и гаек
ОСТ 1 39503-77 Длины болтов и винтов
ОСТ 1 39504-79 Головки шестигранные болтов и винтов
ОСТ 1 51730-79 Оснастка для формообразования концов труб тяг управления из сплава Д16Т
ОСТ 1 51731-79 Оснастка для формообразования концов труб тяг управления из сплава Д16Т
ОСТ 1.41001-79 Диаметры отверстий под нарезание резьбы метрической по нормали 754АТ
ОСТ 1.41002-79 Диаметры стержней под нарезание резьбы метрической по нормали 754АТ и ОСТ 1.00039-73
ОСТ 92-0762-72 Болты, винты из титановых сплавов
ОСТ 92-1130-85 Детали стальные точные
ОСТ 92-1179-77 Детали и сборочные единицы из сталей марок 07Х16Н6 и 08Х17Н5М3
ОСТ 92-8653-75 по ОСТ 92-8674-75 Соединения трубопроводов по внутреннему конусу
ОСТ-1-33102-80 Взамен нормали 102АТУ Гайки ОСТ-1-33102-80
Отраслевая нормаль 214АТ В замен нормали 214МТ55 метрическая резьбой со свободной посадкой
Отраслевая нормаль 714М55 pdf Кольца плоские ,стопорные технические условия
Отраслевая нормаль авиационной техники 101АТУ Взамен 201СТУ51
2026 «Быстрометиз». Мы не интернет-магазин. Информация о наличии и стоимости продукции не является публичной офертой.
Задайте вопрос нашим специалистам