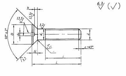
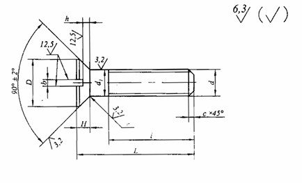
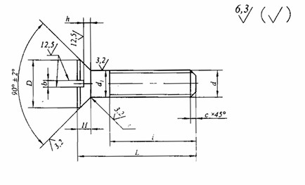
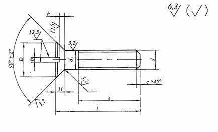
ОСТ 92-0755-72 Винты с потайной головкой
Винты ОСТ 92-0755-72 - это специальный крепеж, так как имеют потайную головку и стержень, ими можно соединять сразу несколько деталей, закрепляя их гайками. Используются вместе с гайками (шестигранными, квадратными, приварными). Для более прочного соединения могут применяться шайбы (гроверы).
Конструкция и технические особенности
Конструкция винта состоит из потайной головки и цилиндрического стержня.
Материал изготовления: пруток ВТ14, ОТ4, ВТ1
Для использования винтов в агрессивной среде применяют различные виды покрытий - цинк, хром, никель, наносимые разнообразными способами.
Пример условного обозначения винта с потайной головкой диаметром резьбы d=12мм, с шагом резьбы 1,5мм, длиной L=50мм из материала с условной маркировкой 61:
Винт М12х1,5х50-61-ОСТ 92-0755-72
ПРИМЕНЕНИЕ
Данные винты применяются во многих отраслях промышленности. Высокий спрос на изделие в машиностроении и строительстве, где такие болты используют для надежного крепления массивных деталей и металлических конструкций.
АНАЛОГИ
| ОСТ/ГОСТ | Нормаль | Наименование | Типоразмер | На складе |
| ОСТ 92-0755-72 | Винт | М2х3 | В наличии | |
| ОСТ 92-0755-72 | Винт | М2х4 | В наличии | |
| ОСТ 92-0755-72 | Винт | М2х5 | В наличии | |
| ОСТ 92-0755-72 | Винт | М2х6 | В наличии | |
| ОСТ 92-0755-72 | Винт | М2х8 | В наличии | |
| ОСТ 92-0755-72 | Винт | М2х10 | В наличии | |
| ОСТ 92-0755-72 | Винт | М2х12 | В наличии | |
| ОСТ 92-0755-72 | Винт | М2х14 | В наличии | |
| ОСТ 92-0755-72 | Винт | М2х16 | В наличии | |
| ОСТ 92-0755-72 | Винт | М2,5х4 | В наличии | |
| ОСТ 92-0755-72 | Винт | М2,5х5 | В наличии | |
| ОСТ 92-0755-72 | Винт | М2,5х6 | В наличии | |
| ОСТ 92-0755-72 | Винт | М2,5х8 | В наличии | |
| ОСТ 92-0755-72 | Винт | М2,5х10 | В наличии | |
| ОСТ 92-0755-72 | Винт | М2,5х12 | В наличии | |
| ОСТ 92-0755-72 | Винт | М2,5х14 | В наличии | |
| ОСТ 92-0755-72 | Винт | М2,5х16 | В наличии | |
| ОСТ 92-0755-72 | Винт | М2,5х18 | В наличии | |
| ОСТ 92-0755-72 | Винт | М3х5 | В наличии | |
| ОСТ 92-0755-72 | Винт | М3х6 | В наличии | |
| ОСТ 92-0755-72 | Винт | М3х8 | В наличии | |
| ОСТ 92-0755-72 | Винт | М3х10 | В наличии | |
| ОСТ 92-0755-72 | Винт | М3х12 | В наличии | |
| ОСТ 92-0755-72 | Винт | М3х14 | В наличии | |
| ОСТ 92-0755-72 | Винт | М3х16 | В наличии | |
| ОСТ 92-0755-72 | Винт | М3х18 | В наличии | |
| ОСТ 92-0755-72 | Винт | М3х20 | В наличии | |
| ОСТ 92-0755-72 | Винт | М3х22 | В наличии | |
| ОСТ 92-0755-72 | Винт | М3х24 | В наличии | |
| ОСТ 92-0755-72 | Винт | М4х8 | В наличии | |
| ОСТ 92-0755-72 | Винт | М4х10 | В наличии | |
| ОСТ 92-0755-72 | Винт | М4х12 | В наличии | |
| ОСТ 92-0755-72 | Винт | М4х14 | В наличии | |
| ОСТ 92-0755-72 | Винт | М4х16 | В наличии | |
| ОСТ 92-0755-72 | Винт | М4х18 | В наличии | |
| ОСТ 92-0755-72 | Винт | М4х20 | В наличии | |
| ОСТ 92-0755-72 | Винт | М4х22 | В наличии | |
| ОСТ 92-0755-72 | Винт | М4х24 | В наличии | |
| ОСТ 92-0755-72 | Винт | М4х26 | В наличии | |
| ОСТ 92-0755-72 | Винт | М4х28 | В наличии | |
| ОСТ 92-0755-72 | Винт | М4х30 | В наличии | |
| ОСТ 92-0755-72 | Винт | М4х32 | В наличии | |
| ОСТ 92-0755-72 | Винт | М4х34 | В наличии | |
| ОСТ 92-0755-72 | Винт | М5х10 | В наличии | |
| ОСТ 92-0755-72 | Винт | М5х12 | В наличии | |
| ОСТ 92-0755-72 | Винт | М5х14 | В наличии | |
| ОСТ 92-0755-72 | Винт | М5х16 | В наличии | |
| ОСТ 92-0755-72 | Винт | М5х18 | В наличии | |
| ОСТ 92-0755-72 | Винт | М5х20 | В наличии | |
| ОСТ 92-0755-72 | Винт | М5х22 | В наличии | |
| ОСТ 92-0755-72 | Винт | М5х24 | В наличии | |
| ОСТ 92-0755-72 | Винт | М5х26 | В наличии | |
| ОСТ 92-0755-72 | Винт | М5х28 | В наличии | |
| ОСТ 92-0755-72 | Винт | М5х30 | В наличии | |
| ОСТ 92-0755-72 | Винт | М5х32 | В наличии | |
| ОСТ 92-0755-72 | Винт | М5х34 | В наличии | |
| ОСТ 92-0755-72 | Винт | М5х36 | В наличии | |
| ОСТ 92-0755-72 | Винт | М5х38 | В наличии | |
| ОСТ 92-0755-72 | Винт | М5х40 | В наличии | |
| ОСТ 92-0755-72 | Винт | М6х10 | В наличии | |
| ОСТ 92-0755-72 | Винт | М6х12 | В наличии | |
| ОСТ 92-0755-72 | Винт | М6х14 | В наличии | |
| ОСТ 92-0755-72 | Винт | М6х16 | В наличии | |
| ОСТ 92-0755-72 | Винт | М6х18 | В наличии | |
| ОСТ 92-0755-72 | Винт | М6х20 | В наличии | |
| ОСТ 92-0755-72 | Винт | М6х22 | В наличии | |
| ОСТ 92-0755-72 | Винт | М6х24 | В наличии | |
| ОСТ 92-0755-72 | Винт | М6х26 | В наличии | |
| ОСТ 92-0755-72 | Винт | М6х28 | В наличии | |
| ОСТ 92-0755-72 | Винт | М6х30 | В наличии | |
| ОСТ 92-0755-72 | Винт | М6х32 | В наличии | |
| ОСТ 92-0755-72 | Винт | М6х34 | В наличии | |
| ОСТ 92-0755-72 | Винт | М6х36 | В наличии | |
| ОСТ 92-0755-72 | Винт | М6х38 | В наличии | |
| ОСТ 92-0755-72 | Винт | М6х40 | В наличии | |
| ОСТ 92-0755-72 | Винт | М6х42 | В наличии | |
| ОСТ 92-0755-72 | Винт | М6х44 | В наличии | |
| ОСТ 92-0755-72 | Винт | М6х46 | В наличии | |
| ОСТ 92-0755-72 | Винт | М6х48 | В наличии | |
| ОСТ 92-0755-72 | Винт | М6х50 | В наличии | |
| ОСТ 92-0755-72 | Винт | М8х12 | В наличии | |
| ОСТ 92-0755-72 | Винт | М8х14 | В наличии | |
| ОСТ 92-0755-72 | Винт | М8х16 | В наличии | |
| ОСТ 92-0755-72 | Винт | М8х18 | В наличии | |
| ОСТ 92-0755-72 | Винт | М8х20 | В наличии | |
| ОСТ 92-0755-72 | Винт | М8х22 | В наличии | |
| ОСТ 92-0755-72 | Винт | М8х24 | В наличии | |
| ОСТ 92-0755-72 | Винт | М8х26 | В наличии | |
| ОСТ 92-0755-72 | Винт | М8х28 | В наличии | |
| ОСТ 92-0755-72 | Винт | М8х30 | В наличии | |
| ОСТ 92-0755-72 | Винт | М8х32 | В наличии | |
| ОСТ 92-0755-72 | Винт | М8х34 | В наличии | |
| ОСТ 92-0755-72 | Винт | М8х36 | В наличии | |
| ОСТ 92-0755-72 | Винт | М8х38 | В наличии | |
| ОСТ 92-0755-72 | Винт | М8х40 | В наличии | |
| ОСТ 92-0755-72 | Винт | М8х42 | В наличии | |
| ОСТ 92-0755-72 | Винт | М8х44 | В наличии | |
| ОСТ 92-0755-72 | Винт | М8х46 | В наличии | |
| ОСТ 92-0755-72 | Винт | М8х48 | В наличии | |
| ОСТ 92-0755-72 | Винт | М8х50 | В наличии | |
| ОСТ 92-0755-72 | Винт | М10х18 | В наличии | |
| ОСТ 92-0755-72 | Винт | М10х20 | В наличии | |
| ОСТ 92-0755-72 | Винт | М10х22 | В наличии | |
| ОСТ 92-0755-72 | Винт | М10х24 | В наличии | |
| ОСТ 92-0755-72 | Винт | М10х26 | В наличии | |
| ОСТ 92-0755-72 | Винт | М10х28 | В наличии | |
| ОСТ 92-0755-72 | Винт | М10х30 | В наличии | |
| ОСТ 92-0755-72 | Винт | М10х32 | В наличии | |
| ОСТ 92-0755-72 | Винт | М10х34 | В наличии | |
| ОСТ 92-0755-72 | Винт | М10х36 | В наличии | |
| ОСТ 92-0755-72 | Винт | М10х38 | В наличии | |
| ОСТ 92-0755-72 | Винт | М10х40 | В наличии | |
| ОСТ 92-0755-72 | Винт | М10х42 | В наличии | |
| ОСТ 92-0755-72 | Винт | М10х44 | В наличии | |
| ОСТ 92-0755-72 | Винт | М10х46 | В наличии | |
| ОСТ 92-0755-72 | Винт | М10х48 | В наличии | |
| ОСТ 92-0755-72 | Винт | М10х50 | В наличии | |
| ОСТ 92-0755-72 | Винт | М12,5х1,5х26 | В наличии | |
| ОСТ 92-0755-72 | Винт | М12,5х1,5х28 | В наличии | |
| ОСТ 92-0755-72 | Винт | М12,5х1,5х30 | В наличии | |
| ОСТ 92-0755-72 | Винт | М12,5х1,5х32 | В наличии | |
| ОСТ 92-0755-72 | Винт | М12,5х1,5х34 | В наличии | |
| ОСТ 92-0755-72 | Винт | М12,5х1,5х36 | В наличии | |
| ОСТ 92-0755-72 | Винт | М12,5х1,5х38 | В наличии | |
| ОСТ 92-0755-72 | Винт | М12,5х1,5х40 | В наличии | |
| ОСТ 92-0755-72 | Винт | М12,5х1,5х42 | В наличии | |
| ОСТ 92-0755-72 | Винт | М12,5х1,5х44 | В наличии | |
| ОСТ 92-0755-72 | Винт | М12,5х1,5х46 | В наличии | |
| ОСТ 92-0755-72 | Винт | М12,5х1,5х48 | В наличии | |
| ОСТ 92-0755-72 | Винт | М12,5х1,5х50 | В наличии |
Для изготовителей и поставщиков: Добавить мои товары в базу
Для покупателей: Подать заявку на покупку
| Наименование | Типоразмер | Материал | Количество, шт | Вес, кг |
| Винт ОСТ 92-0755-72 |
ОСТ 1 30055-84 Накатка кольцевая стержней болт-заклепок из титанового сплава
ОСТ 1 31076-80 Маркировка крепежных изделий взамен НОРМАЛЬ 176АТ
ОСТ 1 31076-80: Маркировка крепежных изделий (взамен НОРМАЛЬ 176АТ)
ОСТ 1 39502-77 Стопорение болтов, винтов, шпилек, штифтов и гаек
ОСТ 1 39503-77 Длины болтов и винтов
ОСТ 1 39504-79 Головки шестигранные болтов и винтов
ОСТ 1 51730-79 Оснастка для формообразования концов труб тяг управления из сплава Д16Т
ОСТ 1 51731-79 Оснастка для формообразования концов труб тяг управления из сплава Д16Т
ОСТ 1.41001-79 Диаметры отверстий под нарезание резьбы метрической по нормали 754АТ
ОСТ 1.41002-79 Диаметры стержней под нарезание резьбы метрической по нормали 754АТ и ОСТ 1.00039-73
ОСТ 92-0762-72 Болты, винты из титановых сплавов
ОСТ 92-1179-77 Детали и сборочные единицы из сталей марок 07Х16Н6 и 08Х17Н5М3
ОСТ 92-8653-75 по ОСТ 92-8674-75 Соединения трубопроводов по внутреннему конусу
ОСТ-1-33102-80 Взамен нормали 102АТУ Гайки ОСТ-1-33102-80
Отраслевая нормаль 214АТ В замен нормали 214МТ55 метрическая резьбой со свободной посадкой
Отраслевая нормаль 714М55 pdf Кольца плоские ,стопорные технические условия
Отраслевая нормаль авиационной техники 101АТУ Взамен 201СТУ51
2025 «Быстрометиз». Мы не интернет-магазин. Информация о наличии и стоимости продукции не является публичной офертой.
Задайте вопрос нашим специалистам