ОСТ 92-0754-72 Винты ступенчатые с потайной головкой

ОСТ 92-0754-72 Винты ступенчатые с потайной головкой

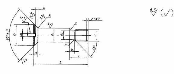
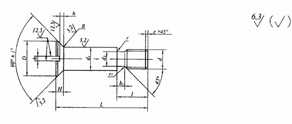
Винты  ОСТ 92-0754-72 - это специальный крепеж, так как имеют полукруглую головку и стержень с резьбой, ими можно соединять сразу несколько деталей, закрепляя их гайками. Используются вместе с гайками (шестигранными, квадратными, приварными). Для более прочного соединения могут применяться шайбы (гроверы). 

Конструкция и технические особенности

Конструкция винта состоит из потайной головки и цилиндрического ступенчатого стержня.

Материал изготовления: пруток ВТ14.

Для использования винтов в агрессивной среде применяют различные виды покрытий - цинк, хром, никель, наносимые разнообразными способами.

ОСТ 92-0754-72.pdf

Пример условного обозначения ступенчатого винта с потайной головкой диаметром резьбы d=12мм, с шагом резьбы 1,5мм, длиной L=50мм из материала с условной маркировкой 61:

Винт М12х1,5х50-61-ОСТ 92-0754-72

Винт
Наименование метиза
М12
Диаметр резьбы
1,5
Шаг резьбы
50
Длина
61
условная маркировка материала
ОСТ 92-0754-72
Нормативно-технический документ

ПРИМЕНЕНИЕ

Данные винты применяются во многих отраслях промышленности. Высокий спрос на изделие в машиностроении и строительстве, где такие болты используют для надежного крепления массивных деталей и металлических конструкций.

АНАЛОГИ

ОСТ/ГОСТНормальНаименованиеТипоразмерНа складе
ОСТ 92-0754-72ВинтМ4х12В наличии
ОСТ 92-0754-72ВинтМ4х14В наличии
ОСТ 92-0754-72ВинтМ4х16В наличии
ОСТ 92-0754-72ВинтМ4х18В наличии
ОСТ 92-0754-72ВинтМ4х20В наличии
ОСТ 92-0754-72ВинтМ4х22В наличии
ОСТ 92-0754-72ВинтМ4х24В наличии
ОСТ 92-0754-72ВинтМ4х26В наличии
ОСТ 92-0754-72ВинтМ4х28В наличии
ОСТ 92-0754-72ВинтМ4х30В наличии
ОСТ 92-0754-72ВинтМ5х14В наличии
ОСТ 92-0754-72ВинтМ5х16В наличии
ОСТ 92-0754-72ВинтМ5х18В наличии
ОСТ 92-0754-72ВинтМ5х20В наличии
ОСТ 92-0754-72ВинтМ5х22В наличии
ОСТ 92-0754-72ВинтМ5х24В наличии
ОСТ 92-0754-72ВинтМ5х26В наличии
ОСТ 92-0754-72ВинтМ5х28В наличии
ОСТ 92-0754-72ВинтМ5х30В наличии
ОСТ 92-0754-72ВинтМ6х16В наличии
ОСТ 92-0754-72ВинтМ6х18В наличии
ОСТ 92-0754-72ВинтМ6х20В наличии
ОСТ 92-0754-72ВинтМ6х22В наличии
ОСТ 92-0754-72ВинтМ6х24В наличии
ОСТ 92-0754-72ВинтМ6х26В наличии
ОСТ 92-0754-72ВинтМ6х28В наличии
ОСТ 92-0754-72ВинтМ6х30В наличии
ОСТ 92-0754-72ВинтМ6х32В наличии
ОСТ 92-0754-72ВинтМ6х34В наличии
ОСТ 92-0754-72ВинтМ6х36В наличии
ОСТ 92-0754-72ВинтМ8х18В наличии
ОСТ 92-0754-72ВинтМ8х20В наличии
ОСТ 92-0754-72ВинтМ8х22В наличии
ОСТ 92-0754-72ВинтМ8х24В наличии
ОСТ 92-0754-72ВинтМ8х26В наличии
ОСТ 92-0754-72ВинтМ8х28В наличии
ОСТ 92-0754-72ВинтМ8х30В наличии
ОСТ 92-0754-72ВинтМ8х32В наличии
ОСТ 92-0754-72ВинтМ8х34В наличии
ОСТ 92-0754-72ВинтМ8х36В наличии
ОСТ 92-0754-72ВинтМ8х38В наличии
ОСТ 92-0754-72ВинтМ8х40В наличии
ОСТ 92-0754-72ВинтМ8х42В наличии
ОСТ 92-0754-72ВинтМ8х44В наличии
ОСТ 92-0754-72ВинтМ8х46В наличии
ОСТ 92-0754-72ВинтМ8х48В наличии
ОСТ 92-0754-72ВинтМ8х50В наличии
ОСТ 92-0754-72ВинтМ10х22В наличии
ОСТ 92-0754-72ВинтМ10х24В наличии
ОСТ 92-0754-72ВинтМ10х26В наличии
ОСТ 92-0754-72ВинтМ10х28В наличии
ОСТ 92-0754-72ВинтМ10х30В наличии
ОСТ 92-0754-72ВинтМ10х32В наличии
ОСТ 92-0754-72ВинтМ10х34В наличии
ОСТ 92-0754-72ВинтМ10х36В наличии
ОСТ 92-0754-72ВинтМ10х38В наличии
ОСТ 92-0754-72ВинтМ10х40В наличии
ОСТ 92-0754-72ВинтМ10х42В наличии
ОСТ 92-0754-72ВинтМ10х44В наличии
ОСТ 92-0754-72ВинтМ10х46В наличии
ОСТ 92-0754-72ВинтМ10х48В наличии
ОСТ 92-0754-72ВинтМ10х50В наличии
ОСТ 92-0754-72ВинтМ12,5х1,5х26В наличии
ОСТ 92-0754-72ВинтМ12,5х1,5х28В наличии
ОСТ 92-0754-72ВинтМ12,5х1,5х30В наличии
ОСТ 92-0754-72ВинтМ12,5х1,5х32В наличии
ОСТ 92-0754-72ВинтМ12,5х1,5х34В наличии
ОСТ 92-0754-72ВинтМ12,5х1,5х36В наличии
ОСТ 92-0754-72ВинтМ12,5х1,5х38В наличии
ОСТ 92-0754-72ВинтМ12,5х1,5х40В наличии
ОСТ 92-0754-72ВинтМ12,5х1,5х42В наличии
ОСТ 92-0754-72ВинтМ12,5х1,5х44В наличии
ОСТ 92-0754-72ВинтМ12,5х1,5х46В наличии
ОСТ 92-0754-72ВинтМ12,5х1,5х48В наличии
ОСТ 92-0754-72ВинтМ12,5х1,5х50В наличии

Для изготовителей и поставщиков: Добавить мои товары в базу

Для покупателей: Подать заявку на покупку

НаименованиеТипоразмерМатериалКоличество, штВес, кг
Винт ОСТ 92-0754-72
О

ОСТ 1 30055-84 Накатка кольцевая стержней болт-заклепок из титанового сплава

ОСТ 1 31076-80 Маркировка крепежных изделий взамен НОРМАЛЬ 176АТ

ОСТ 1 31076-80: Маркировка крепежных изделий (взамен НОРМАЛЬ 176АТ)

ОСТ 1 38016-80 Футорки

ОСТ 1 38020-82 Втулки

ОСТ 1 39502-77 Стопорение болтов, винтов, шпилек, штифтов и гаек

ОСТ 1 39503-77 Длины болтов и винтов

ОСТ 1 39504-79 Головки шестигранные болтов и винтов

ОСТ 1 41471-79 Формообразование концов труб тяг управления из сплава Д16Т. Типовой технологический процесс

ОСТ 1 51730-79 Оснастка для формообразования концов труб тяг управления из сплава Д16Т

ОСТ 1 51731-79 Оснастка для формообразования концов труб тяг управления из сплава Д16Т

ОСТ 1.41001-79 Диаметры отверстий под нарезание резьбы метрической по нормали 754АТ

ОСТ 1.41002-79 Диаметры стержней под нарезание резьбы метрической по нормали 754АТ и ОСТ 1.00039-73

ОСТ 92-0762-72 Болты, винты из титановых сплавов

ОСТ 92-0912-69 Детали из высокопрочных углеродистых легированных и высоколегированных сталей. ОСТ 92-0912-69

ОСТ 92-1130-85 Детали стальные точные

ОСТ 92-1179-77 Детали и сборочные единицы из сталей марок 07Х16Н6 и 08Х17Н5М3

ОСТ 92-8653-75 по ОСТ 92-8674-75 Соединения трубопроводов по внутреннему конусу

ОСТ-1-33102-80 Взамен нормали 102АТУ Гайки ОСТ-1-33102-80

Отраслевая нормаль 214АТ В замен нормали 214МТ55 метрическая резьбой со свободной посадкой

Отраслевая нормаль 714М55 pdf Кольца плоские ,стопорные технические условия

Отраслевая нормаль авиационной техники 101АТУ Взамен 201СТУ51

Отраслевая нормаль авиационной техники. Нормаль 722АТ.

Р

РЕЗЬБА МЕТРИЧЕСКАЯ

Резьба метрическая усиленная тугой посадкой сталь в алюминиевые и магниевые сплавы. Нормаль 254АТ взамен нормальный 154МТ46

Резьба метрическая. Основные размеры и допуски. Отраслевая нормаль 257АТ взамен 57АТ50 взамен 153МТ54.

РЕЗЬБА ТРАПЕЦЕИДАЛЬНАЯ

РЕЗЬБА ТРУБНАЯ ЦИЛИНДРИЧЕСКАЯ

РЕЗЬБА УПОРНАЯ

Резьба усиленная метрическая тугой посадкой сталь сталь система вала настоящая норма распространяется на резьбу усиленную метрическую тугой посадкой для сопрягаемых материалов сталь в сталь. Нормаль 122МТ53 взамен нормали 122МТ51

Резьба усиленная метрическая тугой посадкой сталь сталь система вала настоящая норма распространяется на резьбу усиленную метрическую тугой посадкой для сопрягаемых материалов сталь в сталь. Нормаль 122МТ53 взамен нормали 122МТ51

Резьбовые соединения. Резьба метрическая с натягом по посадкам 2Н5Д и 2Н5С Отраслевой стандарт ОСТ 1 04065–92

Оформите заказ или получите консультацию