ОСТ 1 13710-81 Наконечники для подсоединения к цилиндрическим контактам

ОСТ 1 13710-81 НАКОНЕЧНИКИ ДЛЯ ПОДСОЕДИНЕНИЯ К ЦИЛИНДРИЧЕСКИМ КОНТАКТАМ

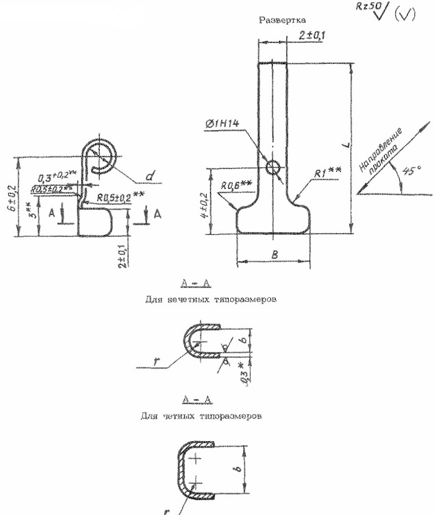
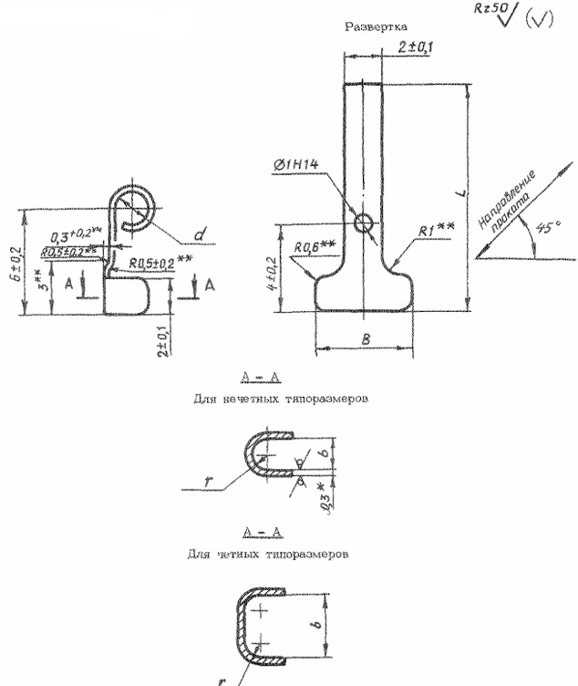
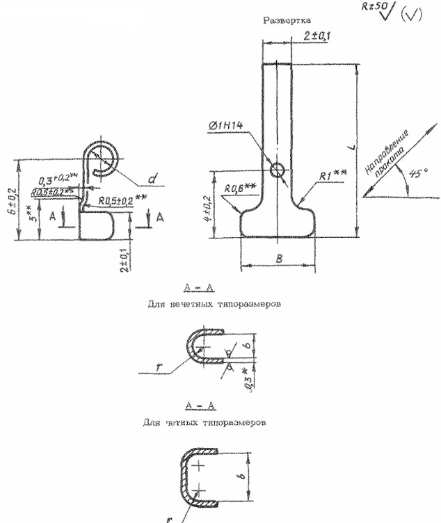
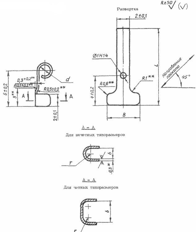
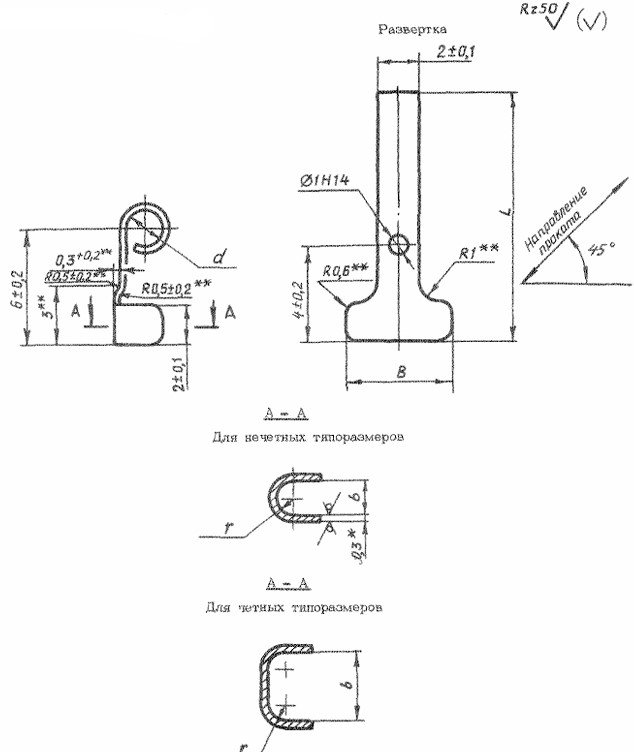
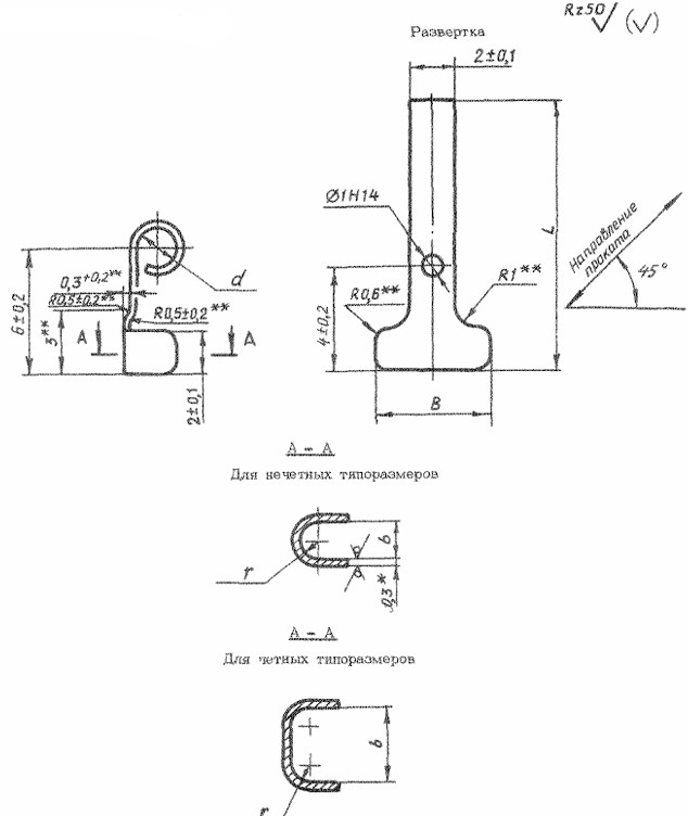
Наконечники по ОСТ 1 13710-81- это специальный крепеж, предназначенный для подсоединения к цилиндрическим контактам для электропроводов с площадью сечения не более 0,20мм2, применяемые в электрических цепях летательных аппаратов. Взамен нормали 6385А.

КОНСТРУКЦИЯ И ТЕХНИЧЕСКИЕ ОСОБЕННОСТИ

Конструкция наконечника состоит из продолговатой трубки с двумя лапками.

Материал изготовления: лента НМЛ63 ГОСТ 2208-91.

Материал покрытия: О3-6опл; Ср6.хр. Допускается покрытие Н3-6.ОВи6-9.

ОСТ 1 13710-81.pdf

Пример наименования и обозначения наконечника для подсоединения к цилиндрическим контактам типоразмера 10 оловянированного:

Наконечник 10-25-ОСТ 1 13710-81

Наконечник
Наименование метиза
10
Типоразмер
25
Покрытие
ОСТ 1 13710-81
Нормативно-технический документ

То же, серебреного:

Наконечник 10-38-ОСТ 1 13710-81

Наконечник
Наименование метиза
10
Типоразмер
38
Покрытие
ОСТ 1 13710-81
Нормативно-технический документ

ПРИМЕНЕНИЕ

     Данные наконечники широко используются в электрических цепях летательных аппаратов.

АНАЛОГИ

Нормаль 6385А.

ОСТ/ГОСТНормальНаименованиеТипоразмерНа складе
ОСТ 1 13710-816385АНаконечник1В наличии
ОСТ 1 13710-816385АНаконечник2В наличии
ОСТ 1 13710-816385АНаконечник3В наличии
ОСТ 1 13710-816385АНаконечник4В наличии
ОСТ 1 13710-816385АНаконечник5В наличии
ОСТ 1 13710-816385АНаконечник6В наличии
ОСТ 1 13710-816385АНаконечник7В наличии
ОСТ 1 13710-816385АНаконечник8В наличии
ОСТ 1 13710-816385АНаконечник9В наличии
ОСТ 1 13710-816385АНаконечник10В наличии
ОСТ 1 13710-816385АНаконечник11В наличии
ОСТ 1 13710-816385АНаконечник12В наличии
ОСТ 1 13710-816385АНаконечник13В наличии
ОСТ 1 13710-816385АНаконечник14В наличии
ОСТ 1 13710-816385АНаконечник15В наличии
ОСТ 1 13710-816385АНаконечник16В наличии
ОСТ 1 13710-816385АНаконечник17В наличии
ОСТ 1 13710-816385АНаконечник18В наличии

Для изготовителей и поставщиков: Добавить мои товары в базу

Для покупателей: Подать заявку на покупку

НаименованиеТипоразмерМатериалКоличество, штВес, кг
Наконечник ОСТ 1 13710-81 6385А
О

ОСТ 1 30055-84 Накатка кольцевая стержней болт-заклепок из титанового сплава

ОСТ 1 31076-80 Маркировка крепежных изделий взамен НОРМАЛЬ 176АТ

ОСТ 1 31076-80: Маркировка крепежных изделий (взамен НОРМАЛЬ 176АТ)

ОСТ 1 38016-80 Футорки

ОСТ 1 38020-82 Втулки

ОСТ 1 39502-77 Стопорение болтов, винтов, шпилек, штифтов и гаек

ОСТ 1 39503-77 Длины болтов и винтов

ОСТ 1 39504-79 Головки шестигранные болтов и винтов

ОСТ 1 41471-79 Формообразование концов труб тяг управления из сплава Д16Т. Типовой технологический процесс

ОСТ 1 51730-79 Оснастка для формообразования концов труб тяг управления из сплава Д16Т

ОСТ 1 51731-79 Оснастка для формообразования концов труб тяг управления из сплава Д16Т

ОСТ 1.41001-79 Диаметры отверстий под нарезание резьбы метрической по нормали 754АТ

ОСТ 1.41002-79 Диаметры стержней под нарезание резьбы метрической по нормали 754АТ и ОСТ 1.00039-73

ОСТ 92-0762-72 Болты, винты из титановых сплавов

ОСТ 92-0912-69 Детали из высокопрочных углеродистых легированных и высоколегированных сталей. ОСТ 92-0912-69

ОСТ 92-1130-85 Детали стальные точные

ОСТ 92-1179-77 Детали и сборочные единицы из сталей марок 07Х16Н6 и 08Х17Н5М3

ОСТ 92-8653-75 по ОСТ 92-8674-75 Соединения трубопроводов по внутреннему конусу

ОСТ-1-33102-80 Взамен нормали 102АТУ Гайки ОСТ-1-33102-80

Отраслевая нормаль 214АТ В замен нормали 214МТ55 метрическая резьбой со свободной посадкой

Отраслевая нормаль 714М55 pdf Кольца плоские ,стопорные технические условия

Отраслевая нормаль авиационной техники 101АТУ Взамен 201СТУ51

Отраслевая нормаль авиационной техники. Нормаль 722АТ.

Р

РЕЗЬБА МЕТРИЧЕСКАЯ

Резьба метрическая усиленная тугой посадкой сталь в алюминиевые и магниевые сплавы. Нормаль 254АТ взамен нормальный 154МТ46

Резьба метрическая. Основные размеры и допуски. Отраслевая нормаль 257АТ взамен 57АТ50 взамен 153МТ54.

РЕЗЬБА ТРАПЕЦЕИДАЛЬНАЯ

РЕЗЬБА ТРУБНАЯ ЦИЛИНДРИЧЕСКАЯ

РЕЗЬБА УПОРНАЯ

Резьба усиленная метрическая тугой посадкой сталь сталь система вала настоящая норма распространяется на резьбу усиленную метрическую тугой посадкой для сопрягаемых материалов сталь в сталь. Нормаль 122МТ53 взамен нормали 122МТ51

Резьба усиленная метрическая тугой посадкой сталь сталь система вала настоящая норма распространяется на резьбу усиленную метрическую тугой посадкой для сопрягаемых материалов сталь в сталь. Нормаль 122МТ53 взамен нормали 122МТ51

Резьбовые соединения. Резьба метрическая с натягом по посадкам 2Н5Д и 2Н5С Отраслевой стандарт ОСТ 1 04065–92

Оформите заказ или получите консультацию