ОСТ 1 37025-80 пальцы
Пальцы по ОСТ 1 37025-80 – это специальный крепеж, применяемый для фиксации подвижных механизмов. Взамен нормали 5442А.
КОНСТРУКЦИЯ И ТЕХНИЧЕСКИЕ ОСОБЕННОСТИ
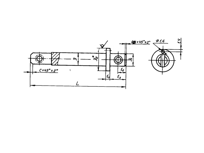
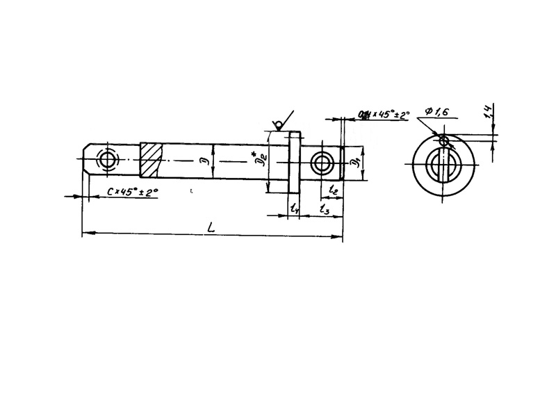
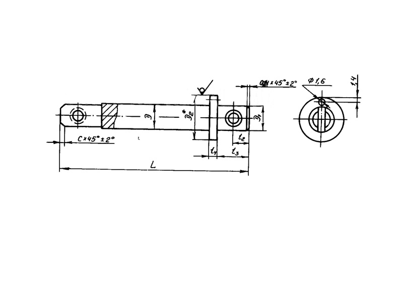
Конструкция пальца состоит из цилиндрической детали с отверстием.
Материал изготовления: сталь 30ХГСА.
Материал покрытия: без покрытия.
Пример наименования и обозначения пальца диаметром D=6 мм и длиной L=48мм:
Палец 6-48-ОСТ 1 37025-80
ПРИМЕНЕНИЕ
Данные заклепки используются во многих отраслях промышленности.
АНАЛОГИ
Нормаль 5442А.
| ОСТ/ГОСТ | Нормаль | Наименование | Типоразмер | На складе |
| ОСТ 1 37025-80 | 5442А | Палец | 6х38 | В наличии |
| ОСТ 1 37025-80 | 5442А | Палец | 6х40 | В наличии |
| ОСТ 1 37025-80 | 5442А | Палец | 6х42 | В наличии |
| ОСТ 1 37025-80 | 5442А | Палец | 6х44 | В наличии |
| ОСТ 1 37025-80 | 5442А | Палец | 6х46 | В наличии |
| ОСТ 1 37025-80 | 5442А | Палец | 6х48 | В наличии |
| ОСТ 1 37025-80 | 5442А | Палец | 6х50 | В наличии |
| ОСТ 1 37025-80 | 5442А | Палец | 6х52 | В наличии |
| ОСТ 1 37025-80 | 5442А | Палец | 6х54 | В наличии |
| ОСТ 1 37025-80 | 5442А | Палец | 6х56 | В наличии |
| ОСТ 1 37025-80 | 5442А | Палец | 6х58 | В наличии |
| ОСТ 1 37025-80 | 5442А | Палец | 6х60 | В наличии |
| ОСТ 1 37025-80 | 5442А | Палец | 6х62 | В наличии |
| ОСТ 1 37025-80 | 5442А | Палец | 6х64 | В наличии |
| ОСТ 1 37025-80 | 5442А | Палец | 6х66 | В наличии |
| ОСТ 1 37025-80 | 5442А | Палец | 6х68 | В наличии |
| ОСТ 1 37025-80 | 5442А | Палец | 6х70 | В наличии |
| ОСТ 1 37025-80 | 5442А | Палец | 6х72 | В наличии |
| ОСТ 1 37025-80 | 5442А | Палец | 6х74 | В наличии |
| ОСТ 1 37025-80 | 5442А | Палец | 6х76 | В наличии |
| ОСТ 1 37025-80 | 5442А | Палец | 6х78 | В наличии |
| ОСТ 1 37025-80 | 5442А | Палец | 6х80 | В наличии |
| ОСТ 1 37025-80 | 5442А | Палец | 6х82 | В наличии |
| ОСТ 1 37025-80 | 5442А | Палец | 6х84 | В наличии |
| ОСТ 1 37025-80 | 5442А | Палец | 6х86 | В наличии |
| ОСТ 1 37025-80 | 5442А | Палец | 6х88 | В наличии |
| ОСТ 1 37025-80 | 5442А | Палец | 6х90 | В наличии |
| ОСТ 1 37025-80 | 5442А | Палец | 6х92 | В наличии |
| ОСТ 1 37025-80 | 5442А | Палец | 6х94 | В наличии |
| ОСТ 1 37025-80 | 5442А | Палец | 6х96 | В наличии |
| ОСТ 1 37025-80 | 5442А | Палец | 8х44 | В наличии |
| ОСТ 1 37025-80 | 5442А | Палец | 8х46 | В наличии |
| ОСТ 1 37025-80 | 5442А | Палец | 8х48 | В наличии |
| ОСТ 1 37025-80 | 5442А | Палец | 8х50 | В наличии |
| ОСТ 1 37025-80 | 5442А | Палец | 8х52 | В наличии |
| ОСТ 1 37025-80 | 5442А | Палец | 8х54 | В наличии |
| ОСТ 1 37025-80 | 5442А | Палец | 8х56 | В наличии |
| ОСТ 1 37025-80 | 5442А | Палец | 8х58 | В наличии |
| ОСТ 1 37025-80 | 5442А | Палец | 8х60 | В наличии |
| ОСТ 1 37025-80 | 5442А | Палец | 8х62 | В наличии |
| ОСТ 1 37025-80 | 5442А | Палец | 8х64 | В наличии |
| ОСТ 1 37025-80 | 5442А | Палец | 8х66 | В наличии |
| ОСТ 1 37025-80 | 5442А | Палец | 8х68 | В наличии |
| ОСТ 1 37025-80 | 5442А | Палец | 8х70 | В наличии |
| ОСТ 1 37025-80 | 5442А | Палец | 8х72 | В наличии |
| ОСТ 1 37025-80 | 5442А | Палец | 8х74 | В наличии |
| ОСТ 1 37025-80 | 5442А | Палец | 8х76 | В наличии |
| ОСТ 1 37025-80 | 5442А | Палец | 8х78 | В наличии |
| ОСТ 1 37025-80 | 5442А | Палец | 8х80 | В наличии |
| ОСТ 1 37025-80 | 5442А | Палец | 8х82 | В наличии |
| ОСТ 1 37025-80 | 5442А | Палец | 8х84 | В наличии |
| ОСТ 1 37025-80 | 5442А | Палец | 8х86 | В наличии |
| ОСТ 1 37025-80 | 5442А | Палец | 8х88 | В наличии |
| ОСТ 1 37025-80 | 5442А | Палец | 8х90 | В наличии |
| ОСТ 1 37025-80 | 5442А | Палец | 8х92 | В наличии |
| ОСТ 1 37025-80 | 5442А | Палец | 8х94 | В наличии |
| ОСТ 1 37025-80 | 5442А | Палец | 8х96 | В наличии |
| ОСТ 1 37025-80 | 5442А | Палец | 8х98 | В наличии |
| ОСТ 1 37025-80 | 5442А | Палец | 10х50 | В наличии |
| ОСТ 1 37025-80 | 5442А | Палец | 10х52 | В наличии |
| ОСТ 1 37025-80 | 5442А | Палец | 10х54 | В наличии |
| ОСТ 1 37025-80 | 5442А | Палец | 10х56 | В наличии |
| ОСТ 1 37025-80 | 5442А | Палец | 10х58 | В наличии |
| ОСТ 1 37025-80 | 5442А | Палец | 10х60 | В наличии |
| ОСТ 1 37025-80 | 5442А | Палец | 10х62 | В наличии |
| ОСТ 1 37025-80 | 5442А | Палец | 10х64 | В наличии |
| ОСТ 1 37025-80 | 5442А | Палец | 10х66 | В наличии |
| ОСТ 1 37025-80 | 5442А | Палец | 10х68 | В наличии |
| ОСТ 1 37025-80 | 5442А | Палец | 10х70 | В наличии |
| ОСТ 1 37025-80 | 5442А | Палец | 10х72 | В наличии |
| ОСТ 1 37025-80 | 5442А | Палец | 10х74 | В наличии |
| ОСТ 1 37025-80 | 5442А | Палец | 10х76 | В наличии |
| ОСТ 1 37025-80 | 5442А | Палец | 10х78 | В наличии |
| ОСТ 1 37025-80 | 5442А | Палец | 10х80 | В наличии |
| ОСТ 1 37025-80 | 5442А | Палец | 10х82 | В наличии |
| ОСТ 1 37025-80 | 5442А | Палец | 10х84 | В наличии |
| ОСТ 1 37025-80 | 5442А | Палец | 10х86 | В наличии |
| ОСТ 1 37025-80 | 5442А | Палец | 10х88 | В наличии |
| ОСТ 1 37025-80 | 5442А | Палец | 10х90 | В наличии |
| ОСТ 1 37025-80 | 5442А | Палец | 10х92 | В наличии |
| ОСТ 1 37025-80 | 5442А | Палец | 10х94 | В наличии |
| ОСТ 1 37025-80 | 5442А | Палец | 10х96 | В наличии |
| ОСТ 1 37025-80 | 5442А | Палец | 10х98 | В наличии |
| ОСТ 1 37025-80 | 5442А | Палец | 10х100 | В наличии |
| ОСТ 1 37025-80 | 5442А | Палец | 10х102 | В наличии |
| ОСТ 1 37025-80 | 5442А | Палец | 10х104 | В наличии |
| ОСТ 1 37025-80 | 5442А | Палец | 10х106 | В наличии |
| ОСТ 1 37025-80 | 5442А | Палец | 12х54 | В наличии |
| ОСТ 1 37025-80 | 5442А | Палец | 12х56 | В наличии |
| ОСТ 1 37025-80 | 5442А | Палец | 12х58 | В наличии |
| ОСТ 1 37025-80 | 5442А | Палец | 12х60 | В наличии |
| ОСТ 1 37025-80 | 5442А | Палец | 12х62 | В наличии |
| ОСТ 1 37025-80 | 5442А | Палец | 12х64 | В наличии |
| ОСТ 1 37025-80 | 5442А | Палец | 12х66 | В наличии |
| ОСТ 1 37025-80 | 5442А | Палец | 12х68 | В наличии |
| ОСТ 1 37025-80 | 5442А | Палец | 12х70 | В наличии |
| ОСТ 1 37025-80 | 5442А | Палец | 12х72 | В наличии |
| ОСТ 1 37025-80 | 5442А | Палец | 12х74 | В наличии |
| ОСТ 1 37025-80 | 5442А | Палец | 12х76 | В наличии |
| ОСТ 1 37025-80 | 5442А | Палец | 12х78 | В наличии |
| ОСТ 1 37025-80 | 5442А | Палец | 12х80 | В наличии |
| ОСТ 1 37025-80 | 5442А | Палец | 12х82 | В наличии |
| ОСТ 1 37025-80 | 5442А | Палец | 12х84 | В наличии |
| ОСТ 1 37025-80 | 5442А | Палец | 12х86 | В наличии |
| ОСТ 1 37025-80 | 5442А | Палец | 12х88 | В наличии |
| ОСТ 1 37025-80 | 5442А | Палец | 12х90 | В наличии |
| ОСТ 1 37025-80 | 5442А | Палец | 12х92 | В наличии |
| ОСТ 1 37025-80 | 5442А | Палец | 12х94 | В наличии |
| ОСТ 1 37025-80 | 5442А | Палец | 12х96 | В наличии |
| ОСТ 1 37025-80 | 5442А | Палец | 12х98 | В наличии |
| ОСТ 1 37025-80 | 5442А | Палец | 12х100 | В наличии |
| ОСТ 1 37025-80 | 5442А | Палец | 12х102 | В наличии |
| ОСТ 1 37025-80 | 5442А | Палец | 12х104 | В наличии |
| ОСТ 1 37025-80 | 5442А | Палец | 12х106 | В наличии |
| ОСТ 1 37025-80 | 5442А | Палец | 12х108 | В наличии |
| ОСТ 1 37025-80 | 5442А | Палец | 12х110 | В наличии |
| ОСТ 1 37025-80 | 5442А | Палец | 12х112 | В наличии |
| ОСТ 1 37025-80 | 5442А | Палец | 12х114 | В наличии |
| ОСТ 1 37025-80 | 5442А | Палец | 12х116 | В наличии |
| ОСТ 1 37025-80 | 5442А | Палец | 12х118 | В наличии |
| ОСТ 1 37025-80 | 5442А | Палец | 12х120 | В наличии |
| ОСТ 1 37025-80 | 5442А | Палец | 12х122 | В наличии |
| ОСТ 1 37025-80 | 5442А | Палец | 12х124 | В наличии |
| ОСТ 1 37025-80 | 5442А | Палец | 12х126 | В наличии |
| ОСТ 1 37025-80 | 5442А | Палец | 12х128 | В наличии |
| ОСТ 1 37025-80 | 5442А | Палец | 12х130 | В наличии |
| ОСТ 1 37025-80 | 5442А | Палец | 12х132 | В наличии |
| ОСТ 1 37025-80 | 5442А | Палец | 12х134 | В наличии |
| ОСТ 1 37025-80 | 5442А | Палец | 14х58 | В наличии |
| ОСТ 1 37025-80 | 5442А | Палец | 14х60 | В наличии |
| ОСТ 1 37025-80 | 5442А | Палец | 14х62 | В наличии |
| ОСТ 1 37025-80 | 5442А | Палец | 14х64 | В наличии |
| ОСТ 1 37025-80 | 5442А | Палец | 14х66 | В наличии |
| ОСТ 1 37025-80 | 5442А | Палец | 14х68 | В наличии |
| ОСТ 1 37025-80 | 5442А | Палец | 14х70 | В наличии |
| ОСТ 1 37025-80 | 5442А | Палец | 14х72 | В наличии |
| ОСТ 1 37025-80 | 5442А | Палец | 14х74 | В наличии |
| ОСТ 1 37025-80 | 5442А | Палец | 14х76 | В наличии |
| ОСТ 1 37025-80 | 5442А | Палец | 14х78 | В наличии |
| ОСТ 1 37025-80 | 5442А | Палец | 14х80 | В наличии |
| ОСТ 1 37025-80 | 5442А | Палец | 14х82 | В наличии |
| ОСТ 1 37025-80 | 5442А | Палец | 14х84 | В наличии |
| ОСТ 1 37025-80 | 5442А | Палец | 14х86 | В наличии |
| ОСТ 1 37025-80 | 5442А | Палец | 14х88 | В наличии |
| ОСТ 1 37025-80 | 5442А | Палец | 14х90 | В наличии |
| ОСТ 1 37025-80 | 5442А | Палец | 14х92 | В наличии |
| ОСТ 1 37025-80 | 5442А | Палец | 14х94 | В наличии |
| ОСТ 1 37025-80 | 5442А | Палец | 14х96 | В наличии |
| ОСТ 1 37025-80 | 5442А | Палец | 14х98 | В наличии |
| ОСТ 1 37025-80 | 5442А | Палец | 14х100 | В наличии |
| ОСТ 1 37025-80 | 5442А | Палец | 14х102 | В наличии |
| ОСТ 1 37025-80 | 5442А | Палец | 14х104 | В наличии |
| ОСТ 1 37025-80 | 5442А | Палец | 14х106 | В наличии |
| ОСТ 1 37025-80 | 5442А | Палец | 14х108 | В наличии |
| ОСТ 1 37025-80 | 5442А | Палец | 14х110 | В наличии |
| ОСТ 1 37025-80 | 5442А | Палец | 14х112 | В наличии |
| ОСТ 1 37025-80 | 5442А | Палец | 14х114 | В наличии |
| ОСТ 1 37025-80 | 5442А | Палец | 14х116 | В наличии |
| ОСТ 1 37025-80 | 5442А | Палец | 14х118 | В наличии |
| ОСТ 1 37025-80 | 5442А | Палец | 14х120 | В наличии |
| ОСТ 1 37025-80 | 5442А | Палец | 14х122 | В наличии |
| ОСТ 1 37025-80 | 5442А | Палец | 14х124 | В наличии |
| ОСТ 1 37025-80 | 5442А | Палец | 14х126 | В наличии |
| ОСТ 1 37025-80 | 5442А | Палец | 14х128 | В наличии |
| ОСТ 1 37025-80 | 5442А | Палец | 14х130 | В наличии |
| ОСТ 1 37025-80 | 5442А | Палец | 14х132 | В наличии |
| ОСТ 1 37025-80 | 5442А | Палец | 14х134 | В наличии |
| ОСТ 1 37025-80 | 5442А | Палец | 14х136 | В наличии |
| ОСТ 1 37025-80 | 5442А | Палец | 14х138 | В наличии |
| ОСТ 1 37025-80 | 5442А | Палец | 14х140 | В наличии |
| ОСТ 1 37025-80 | 5442А | Палец | 14х142 | В наличии |
| ОСТ 1 37025-80 | 5442А | Палец | 14х144 | В наличии |
| ОСТ 1 37025-80 | 5442А | Палец | 14х146 | В наличии |
| ОСТ 1 37025-80 | 5442А | Палец | 14х148 | В наличии |
| ОСТ 1 37025-80 | 5442А | Палец | 14х150 | В наличии |
| ОСТ 1 37025-80 | 5442А | Палец | 16х62 | В наличии |
| ОСТ 1 37025-80 | 5442А | Палец | 16х64 | В наличии |
| ОСТ 1 37025-80 | 5442А | Палец | 16х66 | В наличии |
| ОСТ 1 37025-80 | 5442А | Палец | 16х68 | В наличии |
| ОСТ 1 37025-80 | 5442А | Палец | 16х70 | В наличии |
| ОСТ 1 37025-80 | 5442А | Палец | 16х72 | В наличии |
| ОСТ 1 37025-80 | 5442А | Палец | 16х74 | В наличии |
| ОСТ 1 37025-80 | 5442А | Палец | 16х76 | В наличии |
| ОСТ 1 37025-80 | 5442А | Палец | 16х78 | В наличии |
| ОСТ 1 37025-80 | 5442А | Палец | 16х80 | В наличии |
| ОСТ 1 37025-80 | 5442А | Палец | 16х82 | В наличии |
| ОСТ 1 37025-80 | 5442А | Палец | 16х84 | В наличии |
| ОСТ 1 37025-80 | 5442А | Палец | 16х86 | В наличии |
| ОСТ 1 37025-80 | 5442А | Палец | 16х88 | В наличии |
| ОСТ 1 37025-80 | 5442А | Палец | 16х90 | В наличии |
| ОСТ 1 37025-80 | 5442А | Палец | 16х92 | В наличии |
| ОСТ 1 37025-80 | 5442А | Палец | 16х94 | В наличии |
| ОСТ 1 37025-80 | 5442А | Палец | 16х96 | В наличии |
| ОСТ 1 37025-80 | 5442А | Палец | 16х98 | В наличии |
| ОСТ 1 37025-80 | 5442А | Палец | 16х100 | В наличии |
| ОСТ 1 37025-80 | 5442А | Палец | 16х102 | В наличии |
| ОСТ 1 37025-80 | 5442А | Палец | 16х104 | В наличии |
| ОСТ 1 37025-80 | 5442А | Палец | 16х106 | В наличии |
| ОСТ 1 37025-80 | 5442А | Палец | 16х108 | В наличии |
| ОСТ 1 37025-80 | 5442А | Палец | 16х110 | В наличии |
| ОСТ 1 37025-80 | 5442А | Палец | 16х112 | В наличии |
| ОСТ 1 37025-80 | 5442А | Палец | 16х114 | В наличии |
| ОСТ 1 37025-80 | 5442А | Палец | 16х116 | В наличии |
| ОСТ 1 37025-80 | 5442А | Палец | 16х118 | В наличии |
| ОСТ 1 37025-80 | 5442А | Палец | 16х120 | В наличии |
| ОСТ 1 37025-80 | 5442А | Палец | 16х122 | В наличии |
| ОСТ 1 37025-80 | 5442А | Палец | 16х124 | В наличии |
| ОСТ 1 37025-80 | 5442А | Палец | 16х126 | В наличии |
| ОСТ 1 37025-80 | 5442А | Палец | 16х128 | В наличии |
| ОСТ 1 37025-80 | 5442А | Палец | 16х130 | В наличии |
| ОСТ 1 37025-80 | 5442А | Палец | 16х132 | В наличии |
| ОСТ 1 37025-80 | 5442А | Палец | 16х134 | В наличии |
| ОСТ 1 37025-80 | 5442А | Палец | 16х136 | В наличии |
| ОСТ 1 37025-80 | 5442А | Палец | 16х138 | В наличии |
| ОСТ 1 37025-80 | 5442А | Палец | 16х140 | В наличии |
| ОСТ 1 37025-80 | 5442А | Палец | 16х142 | В наличии |
| ОСТ 1 37025-80 | 5442А | Палец | 16х144 | В наличии |
| ОСТ 1 37025-80 | 5442А | Палец | 16х146 | В наличии |
| ОСТ 1 37025-80 | 5442А | Палец | 16х148 | В наличии |
| ОСТ 1 37025-80 | 5442А | Палец | 16х150 | В наличии |
| ОСТ 1 37025-80 | 5442А | Палец | 18х68 | В наличии |
| ОСТ 1 37025-80 | 5442А | Палец | 18х70 | В наличии |
| ОСТ 1 37025-80 | 5442А | Палец | 18х72 | В наличии |
| ОСТ 1 37025-80 | 5442А | Палец | 18х74 | В наличии |
| ОСТ 1 37025-80 | 5442А | Палец | 18х76 | В наличии |
| ОСТ 1 37025-80 | 5442А | Палец | 18х78 | В наличии |
| ОСТ 1 37025-80 | 5442А | Палец | 18х80 | В наличии |
| ОСТ 1 37025-80 | 5442А | Палец | 18х82 | В наличии |
| ОСТ 1 37025-80 | 5442А | Палец | 18х84 | В наличии |
| ОСТ 1 37025-80 | 5442А | Палец | 18х86 | В наличии |
| ОСТ 1 37025-80 | 5442А | Палец | 18х88 | В наличии |
| ОСТ 1 37025-80 | 5442А | Палец | 18х90 | В наличии |
| ОСТ 1 37025-80 | 5442А | Палец | 18х92 | В наличии |
| ОСТ 1 37025-80 | 5442А | Палец | 18х94 | В наличии |
| ОСТ 1 37025-80 | 5442А | Палец | 18х96 | В наличии |
| ОСТ 1 37025-80 | 5442А | Палец | 18х98 | В наличии |
| ОСТ 1 37025-80 | 5442А | Палец | 18х100 | В наличии |
| ОСТ 1 37025-80 | 5442А | Палец | 18х102 | В наличии |
| ОСТ 1 37025-80 | 5442А | Палец | 18х104 | В наличии |
| ОСТ 1 37025-80 | 5442А | Палец | 18х106 | В наличии |
| ОСТ 1 37025-80 | 5442А | Палец | 18х108 | В наличии |
| ОСТ 1 37025-80 | 5442А | Палец | 18х110 | В наличии |
| ОСТ 1 37025-80 | 5442А | Палец | 18х112 | В наличии |
| ОСТ 1 37025-80 | 5442А | Палец | 18х114 | В наличии |
| ОСТ 1 37025-80 | 5442А | Палец | 18х116 | В наличии |
| ОСТ 1 37025-80 | 5442А | Палец | 18х118 | В наличии |
| ОСТ 1 37025-80 | 5442А | Палец | 18х120 | В наличии |
| ОСТ 1 37025-80 | 5442А | Палец | 18х122 | В наличии |
| ОСТ 1 37025-80 | 5442А | Палец | 18х124 | В наличии |
| ОСТ 1 37025-80 | 5442А | Палец | 18х126 | В наличии |
| ОСТ 1 37025-80 | 5442А | Палец | 18х128 | В наличии |
| ОСТ 1 37025-80 | 5442А | Палец | 18х130 | В наличии |
| ОСТ 1 37025-80 | 5442А | Палец | 18х132 | В наличии |
| ОСТ 1 37025-80 | 5442А | Палец | 18х134 | В наличии |
| ОСТ 1 37025-80 | 5442А | Палец | 18х136 | В наличии |
| ОСТ 1 37025-80 | 5442А | Палец | 18х138 | В наличии |
| ОСТ 1 37025-80 | 5442А | Палец | 18х140 | В наличии |
| ОСТ 1 37025-80 | 5442А | Палец | 18х142 | В наличии |
| ОСТ 1 37025-80 | 5442А | Палец | 18х144 | В наличии |
| ОСТ 1 37025-80 | 5442А | Палец | 18х146 | В наличии |
| ОСТ 1 37025-80 | 5442А | Палец | 18х148 | В наличии |
| ОСТ 1 37025-80 | 5442А | Палец | 18х150 | В наличии |
| ОСТ 1 37025-80 | 5442А | Палец | 18х152 | В наличии |
| ОСТ 1 37025-80 | 5442А | Палец | 18х154 | В наличии |
| ОСТ 1 37025-80 | 5442А | Палец | 18х156 | В наличии |
| ОСТ 1 37025-80 | 5442А | Палец | 18х158 | В наличии |
| ОСТ 1 37025-80 | 5442А | Палец | 18х160 | В наличии |
| ОСТ 1 37025-80 | 5442А | Палец | 18х162 | В наличии |
| ОСТ 1 37025-80 | 5442А | Палец | 18х164 | В наличии |
| ОСТ 1 37025-80 | 5442А | Палец | 18х166 | В наличии |
| ОСТ 1 37025-80 | 5442А | Палец | 18х168 | В наличии |
| ОСТ 1 37025-80 | 5442А | Палец | 18х170 | В наличии |
| ОСТ 1 37025-80 | 5442А | Палец | 20х76 | В наличии |
| ОСТ 1 37025-80 | 5442А | Палец | 20х78 | В наличии |
| ОСТ 1 37025-80 | 5442А | Палец | 20х80 | В наличии |
| ОСТ 1 37025-80 | 5442А | Палец | 20х82 | В наличии |
| ОСТ 1 37025-80 | 5442А | Палец | 20х84 | В наличии |
| ОСТ 1 37025-80 | 5442А | Палец | 20х86 | В наличии |
| ОСТ 1 37025-80 | 5442А | Палец | 20х88 | В наличии |
| ОСТ 1 37025-80 | 5442А | Палец | 20х90 | В наличии |
| ОСТ 1 37025-80 | 5442А | Палец | 20х92 | В наличии |
| ОСТ 1 37025-80 | 5442А | Палец | 20х94 | В наличии |
| ОСТ 1 37025-80 | 5442А | Палец | 20х96 | В наличии |
| ОСТ 1 37025-80 | 5442А | Палец | 20х98 | В наличии |
| ОСТ 1 37025-80 | 5442А | Палец | 20х100 | В наличии |
| ОСТ 1 37025-80 | 5442А | Палец | 20х102 | В наличии |
| ОСТ 1 37025-80 | 5442А | Палец | 20х104 | В наличии |
| ОСТ 1 37025-80 | 5442А | Палец | 20х106 | В наличии |
| ОСТ 1 37025-80 | 5442А | Палец | 20х108 | В наличии |
| ОСТ 1 37025-80 | 5442А | Палец | 20х110 | В наличии |
| ОСТ 1 37025-80 | 5442А | Палец | 20х112 | В наличии |
| ОСТ 1 37025-80 | 5442А | Палец | 20х114 | В наличии |
| ОСТ 1 37025-80 | 5442А | Палец | 20х116 | В наличии |
| ОСТ 1 37025-80 | 5442А | Палец | 20х118 | В наличии |
| ОСТ 1 37025-80 | 5442А | Палец | 20х120 | В наличии |
| ОСТ 1 37025-80 | 5442А | Палец | 20х122 | В наличии |
| ОСТ 1 37025-80 | 5442А | Палец | 20х124 | В наличии |
| ОСТ 1 37025-80 | 5442А | Палец | 20х126 | В наличии |
| ОСТ 1 37025-80 | 5442А | Палец | 20х128 | В наличии |
| ОСТ 1 37025-80 | 5442А | Палец | 20х130 | В наличии |
| ОСТ 1 37025-80 | 5442А | Палец | 20х132 | В наличии |
| ОСТ 1 37025-80 | 5442А | Палец | 20х134 | В наличии |
| ОСТ 1 37025-80 | 5442А | Палец | 20х136 | В наличии |
| ОСТ 1 37025-80 | 5442А | Палец | 20х138 | В наличии |
| ОСТ 1 37025-80 | 5442А | Палец | 20х140 | В наличии |
| ОСТ 1 37025-80 | 5442А | Палец | 20х142 | В наличии |
| ОСТ 1 37025-80 | 5442А | Палец | 20х144 | В наличии |
| ОСТ 1 37025-80 | 5442А | Палец | 20х146 | В наличии |
| ОСТ 1 37025-80 | 5442А | Палец | 20х148 | В наличии |
| ОСТ 1 37025-80 | 5442А | Палец | 20х150 | В наличии |
| ОСТ 1 37025-80 | 5442А | Палец | 20х152 | В наличии |
| ОСТ 1 37025-80 | 5442А | Палец | 20х154 | В наличии |
| ОСТ 1 37025-80 | 5442А | Палец | 20х156 | В наличии |
| ОСТ 1 37025-80 | 5442А | Палец | 20х158 | В наличии |
| ОСТ 1 37025-80 | 5442А | Палец | 20х160 | В наличии |
| ОСТ 1 37025-80 | 5442А | Палец | 20х162 | В наличии |
| ОСТ 1 37025-80 | 5442А | Палец | 20х164 | В наличии |
| ОСТ 1 37025-80 | 5442А | Палец | 20х166 | В наличии |
| ОСТ 1 37025-80 | 5442А | Палец | 20х168 | В наличии |
| ОСТ 1 37025-80 | 5442А | Палец | 20х170 | В наличии |
| ОСТ 1 37025-80 | 5442А | Палец | 20х172 | В наличии |
| ОСТ 1 37025-80 | 5442А | Палец | 20х174 | В наличии |
| ОСТ 1 37025-80 | 5442А | Палец | 20х176 | В наличии |
| ОСТ 1 37025-80 | 5442А | Палец | 20х178 | В наличии |
| ОСТ 1 37025-80 | 5442А | Палец | 20х180 | В наличии |
| ОСТ 1 37025-80 | 5442А | Палец | 20х182 | В наличии |
| ОСТ 1 37025-80 | 5442А | Палец | 20х184 | В наличии |
| ОСТ 1 37025-80 | 5442А | Палец | 20х186 | В наличии |
| ОСТ 1 37025-80 | 5442А | Палец | 20х188 | В наличии |
| ОСТ 1 37025-80 | 5442А | Палец | 20х190 | В наличии |
Для изготовителей и поставщиков: Добавить мои товары в базу
Для покупателей: Подать заявку на покупку
| Наименование | Типоразмер | Материал | Количество, шт | Вес, кг |
| Палец ОСТ 1 37025-80 5442А |
ОСТ 1 30055-84 Накатка кольцевая стержней болт-заклепок из титанового сплава
ОСТ 1 31076-80 Маркировка крепежных изделий взамен НОРМАЛЬ 176АТ
ОСТ 1 31076-80: Маркировка крепежных изделий (взамен НОРМАЛЬ 176АТ)
ОСТ 1 39502-77 Стопорение болтов, винтов, шпилек, штифтов и гаек
ОСТ 1 39503-77 Длины болтов и винтов
ОСТ 1 39504-79 Головки шестигранные болтов и винтов
ОСТ 1 51730-79 Оснастка для формообразования концов труб тяг управления из сплава Д16Т
ОСТ 1 51731-79 Оснастка для формообразования концов труб тяг управления из сплава Д16Т
ОСТ 1.41001-79 Диаметры отверстий под нарезание резьбы метрической по нормали 754АТ
ОСТ 1.41002-79 Диаметры стержней под нарезание резьбы метрической по нормали 754АТ и ОСТ 1.00039-73
ОСТ 92-0762-72 Болты, винты из титановых сплавов
ОСТ 92-1179-77 Детали и сборочные единицы из сталей марок 07Х16Н6 и 08Х17Н5М3
ОСТ 92-8653-75 по ОСТ 92-8674-75 Соединения трубопроводов по внутреннему конусу
ОСТ-1-33102-80 Взамен нормали 102АТУ Гайки ОСТ-1-33102-80
Отраслевая нормаль 214АТ В замен нормали 214МТ55 метрическая резьбой со свободной посадкой
Отраслевая нормаль 714М55 pdf Кольца плоские ,стопорные технические условия
Отраслевая нормаль авиационной техники 101АТУ Взамен 201СТУ51
2026 «Быстрометиз». Мы не интернет-магазин. Информация о наличии и стоимости продукции не является публичной офертой.
Задайте вопрос нашим специалистам