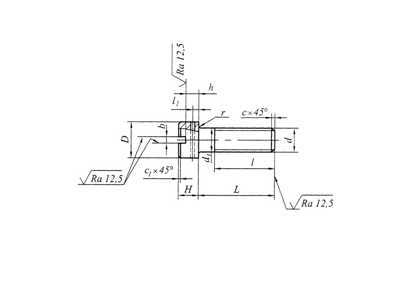
ОСТ 92-0726-72 винты с контровочным отверстием в цилиндрической головке
Винты с контровочным отверстием по ОСТ 92-0726-72 – это специальный крепеж, так как имеют цилиндрическую головку со шлицем, с контровочным отверстием в головке, и стержень с резьбой, ими можно соединять сразу несколько деталей, закрепляя их гайками.
КОНСТРУКЦИЯ И ТЕХНИЧЕСКИЕ ОСОБЕННОСТИ
Конструкция винта состоит из цилиндрической головки со шлицем и цилиндрического стержня с резьбой.
Материал изготовления: сталь, латунь, алюминий.
Материал покрытия: Ц.хр.
Пример условного обозначения винта диаметром резьбы d = 10 мм, с крупным шагом резьбы и полем допуска 6е, длиной L = 40 мм, из материала с условной маркировкой 66, с покрытием 01 толщиной 9 мкм:
Винт М10-6ех40.66.019 ОСТ 92-0726-72
ПРИМЕНЕНИЕ
Данные винты применяются во многих отраслях промышленности, строительства и машиностроении.
АНАЛОГИ
| ОСТ/ГОСТ | Нормаль | Наименование | Типоразмер | На складе |
| ОСТ 92-0726-72 | Винт | 2х6 | В наличии | |
| ОСТ 92-0726-72 | Винт | 2х8 | В наличии | |
| ОСТ 92-0726-72 | Винт | 2х10 | В наличии | |
| ОСТ 92-0726-72 | Винт | 2х12 | В наличии | |
| ОСТ 92-0726-72 | Винт | 2х14 | В наличии | |
| ОСТ 92-0726-72 | Винт | 2х16 | В наличии | |
| ОСТ 92-0726-72 | Винт | 2х18 | В наличии | |
| ОСТ 92-0726-72 | Винт | 2,5х6 | В наличии | |
| ОСТ 92-0726-72 | Винт | 2,5х8 | В наличии | |
| ОСТ 92-0726-72 | Винт | 2,5х10 | В наличии | |
| ОСТ 92-0726-72 | Винт | 2,5х12 | В наличии | |
| ОСТ 92-0726-72 | Винт | 2,5х14 | В наличии | |
| ОСТ 92-0726-72 | Винт | 2,5х16 | В наличии | |
| ОСТ 92-0726-72 | Винт | 2,5х18 | В наличии | |
| ОСТ 92-0726-72 | Винт | 2,5х20 | В наличии | |
| ОСТ 92-0726-72 | Винт | 2,5х22 | В наличии | |
| ОСТ 92-0726-72 | Винт | 2,5х24 | В наличии | |
| ОСТ 92-0726-72 | Винт | 2,5х26 | В наличии | |
| ОСТ 92-0726-72 | Винт | 3х6 | В наличии | |
| ОСТ 92-0726-72 | Винт | 3х8 | В наличии | |
| ОСТ 92-0726-72 | Винт | 3х10 | В наличии | |
| ОСТ 92-0726-72 | Винт | 3х12 | В наличии | |
| ОСТ 92-0726-72 | Винт | 3х14 | В наличии | |
| ОСТ 92-0726-72 | Винт | 3х16 | В наличии | |
| ОСТ 92-0726-72 | Винт | 3х18 | В наличии | |
| ОСТ 92-0726-72 | Винт | 3х20 | В наличии | |
| ОСТ 92-0726-72 | Винт | 3х22 | В наличии | |
| ОСТ 92-0726-72 | Винт | 3х24 | В наличии | |
| ОСТ 92-0726-72 | Винт | 3х26 | В наличии | |
| ОСТ 92-0726-72 | Винт | 3х28 | В наличии | |
| ОСТ 92-0726-72 | Винт | 3х30 | В наличии | |
| ОСТ 92-0726-72 | Винт | 4х6 | В наличии | |
| ОСТ 92-0726-72 | Винт | 4х8 | В наличии | |
| ОСТ 92-0726-72 | Винт | 4х10 | В наличии | |
| ОСТ 92-0726-72 | Винт | 4х12 | В наличии | |
| ОСТ 92-0726-72 | Винт | 4х14 | В наличии | |
| ОСТ 92-0726-72 | Винт | 4х16 | В наличии | |
| ОСТ 92-0726-72 | Винт | 4х18 | В наличии | |
| ОСТ 92-0726-72 | Винт | 4х20 | В наличии | |
| ОСТ 92-0726-72 | Винт | 4х22 | В наличии | |
| ОСТ 92-0726-72 | Винт | 4х24 | В наличии | |
| ОСТ 92-0726-72 | Винт | 4х26 | В наличии | |
| ОСТ 92-0726-72 | Винт | 4х28 | В наличии | |
| ОСТ 92-0726-72 | Винт | 4х30 | В наличии | |
| ОСТ 92-0726-72 | Винт | 4х32 | В наличии | |
| ОСТ 92-0726-72 | Винт | 5х8 | В наличии | |
| ОСТ 92-0726-72 | Винт | 5х10 | В наличии | |
| ОСТ 92-0726-72 | Винт | 5х12 | В наличии | |
| ОСТ 92-0726-72 | Винт | 5х14 | В наличии | |
| ОСТ 92-0726-72 | Винт | 5х16 | В наличии | |
| ОСТ 92-0726-72 | Винт | 5х18 | В наличии | |
| ОСТ 92-0726-72 | Винт | 5х20 | В наличии | |
| ОСТ 92-0726-72 | Винт | 5х22 | В наличии | |
| ОСТ 92-0726-72 | Винт | 5х24 | В наличии | |
| ОСТ 92-0726-72 | Винт | 5х26 | В наличии | |
| ОСТ 92-0726-72 | Винт | 5х28 | В наличии | |
| ОСТ 92-0726-72 | Винт | 5х30 | В наличии | |
| ОСТ 92-0726-72 | Винт | 5х32 | В наличии | |
| ОСТ 92-0726-72 | Винт | 5х34 | В наличии | |
| ОСТ 92-0726-72 | Винт | 5х36 | В наличии | |
| ОСТ 92-0726-72 | Винт | 5х38 | В наличии | |
| ОСТ 92-0726-72 | Винт | 5х40 | В наличии | |
| ОСТ 92-0726-72 | Винт | 6х10 | В наличии | |
| ОСТ 92-0726-72 | Винт | 6х12 | В наличии | |
| ОСТ 92-0726-72 | Винт | 6х14 | В наличии | |
| ОСТ 92-0726-72 | Винт | 6х16 | В наличии | |
| ОСТ 92-0726-72 | Винт | 6х18 | В наличии | |
| ОСТ 92-0726-72 | Винт | 6х20 | В наличии | |
| ОСТ 92-0726-72 | Винт | 6х22 | В наличии | |
| ОСТ 92-0726-72 | Винт | 6х24 | В наличии | |
| ОСТ 92-0726-72 | Винт | 6х26 | В наличии | |
| ОСТ 92-0726-72 | Винт | 6х28 | В наличии | |
| ОСТ 92-0726-72 | Винт | 6х30 | В наличии | |
| ОСТ 92-0726-72 | Винт | 6х32 | В наличии | |
| ОСТ 92-0726-72 | Винт | 6х34 | В наличии | |
| ОСТ 92-0726-72 | Винт | 6х36 | В наличии | |
| ОСТ 92-0726-72 | Винт | 6х38 | В наличии | |
| ОСТ 92-0726-72 | Винт | 6х40 | В наличии | |
| ОСТ 92-0726-72 | Винт | 6х42 | В наличии | |
| ОСТ 92-0726-72 | Винт | 6х44 | В наличии | |
| ОСТ 92-0726-72 | Винт | 6х46 | В наличии | |
| ОСТ 92-0726-72 | Винт | 6х48 | В наличии | |
| ОСТ 92-0726-72 | Винт | 6х50 | В наличии | |
| ОСТ 92-0726-72 | Винт | 8х16 | В наличии | |
| ОСТ 92-0726-72 | Винт | 8х18 | В наличии | |
| ОСТ 92-0726-72 | Винт | 8х20 | В наличии | |
| ОСТ 92-0726-72 | Винт | 8х22 | В наличии | |
| ОСТ 92-0726-72 | Винт | 8х24 | В наличии | |
| ОСТ 92-0726-72 | Винт | 8х26 | В наличии | |
| ОСТ 92-0726-72 | Винт | 8х28 | В наличии | |
| ОСТ 92-0726-72 | Винт | 8х30 | В наличии | |
| ОСТ 92-0726-72 | Винт | 8х32 | В наличии | |
| ОСТ 92-0726-72 | Винт | 8х34 | В наличии | |
| ОСТ 92-0726-72 | Винт | 8х36 | В наличии | |
| ОСТ 92-0726-72 | Винт | 8х38 | В наличии | |
| ОСТ 92-0726-72 | Винт | 8х40 | В наличии | |
| ОСТ 92-0726-72 | Винт | 8х42 | В наличии | |
| ОСТ 92-0726-72 | Винт | 8х44 | В наличии | |
| ОСТ 92-0726-72 | Винт | 8х46 | В наличии | |
| ОСТ 92-0726-72 | Винт | 8х48 | В наличии | |
| ОСТ 92-0726-72 | Винт | 8х50 | В наличии | |
| ОСТ 92-0726-72 | Винт | 8х55 | В наличии | |
| ОСТ 92-0726-72 | Винт | 8х60 | В наличии | |
| ОСТ 92-0726-72 | Винт | 8х65 | В наличии | |
| ОСТ 92-0726-72 | Винт | 10х18 | В наличии | |
| ОСТ 92-0726-72 | Винт | 10х20 | В наличии | |
| ОСТ 92-0726-72 | Винт | 10х22 | В наличии | |
| ОСТ 92-0726-72 | Винт | 10х24 | В наличии | |
| ОСТ 92-0726-72 | Винт | 10х26 | В наличии | |
| ОСТ 92-0726-72 | Винт | 10х28 | В наличии | |
| ОСТ 92-0726-72 | Винт | 10х30 | В наличии | |
| ОСТ 92-0726-72 | Винт | 10х32 | В наличии | |
| ОСТ 92-0726-72 | Винт | 10х34 | В наличии | |
| ОСТ 92-0726-72 | Винт | 10х36 | В наличии | |
| ОСТ 92-0726-72 | Винт | 10х38 | В наличии | |
| ОСТ 92-0726-72 | Винт | 10х40 | В наличии | |
| ОСТ 92-0726-72 | Винт | 10х42 | В наличии | |
| ОСТ 92-0726-72 | Винт | 10х44 | В наличии | |
| ОСТ 92-0726-72 | Винт | 10х46 | В наличии | |
| ОСТ 92-0726-72 | Винт | 10х48 | В наличии | |
| ОСТ 92-0726-72 | Винт | 10х50 | В наличии | |
| ОСТ 92-0726-72 | Винт | 10х55 | В наличии | |
| ОСТ 92-0726-72 | Винт | 10х60 | В наличии | |
| ОСТ 92-0726-72 | Винт | 10х65 | В наличии | |
| ОСТ 92-0726-72 | Винт | 12х24 | В наличии | |
| ОСТ 92-0726-72 | Винт | 12х26 | В наличии | |
| ОСТ 92-0726-72 | Винт | 12х28 | В наличии | |
| ОСТ 92-0726-72 | Винт | 12х30 | В наличии | |
| ОСТ 92-0726-72 | Винт | 12х32 | В наличии | |
| ОСТ 92-0726-72 | Винт | 12х34 | В наличии | |
| ОСТ 92-0726-72 | Винт | 12х36 | В наличии | |
| ОСТ 92-0726-72 | Винт | 12х38 | В наличии | |
| ОСТ 92-0726-72 | Винт | 12х40 | В наличии | |
| ОСТ 92-0726-72 | Винт | 12х42 | В наличии | |
| ОСТ 92-0726-72 | Винт | 12х44 | В наличии | |
| ОСТ 92-0726-72 | Винт | 12х46 | В наличии | |
| ОСТ 92-0726-72 | Винт | 12х48 | В наличии | |
| ОСТ 92-0726-72 | Винт | 12х50 | В наличии | |
| ОСТ 92-0726-72 | Винт | 12х55 | В наличии | |
| ОСТ 92-0726-72 | Винт | 12х60 | В наличии | |
| ОСТ 92-0726-72 | Винт | 12х65 | В наличии |
Для изготовителей и поставщиков: Добавить мои товары в базу
Для покупателей: Подать заявку на покупку
| Наименование | Типоразмер | Материал | Количество, шт | Вес, кг |
| Винт ОСТ 92-0726-72 |
ОСТ 1 30055-84 Накатка кольцевая стержней болт-заклепок из титанового сплава
ОСТ 1 31076-80 Маркировка крепежных изделий взамен НОРМАЛЬ 176АТ
ОСТ 1 31076-80: Маркировка крепежных изделий (взамен НОРМАЛЬ 176АТ)
ОСТ 1 39502-77 Стопорение болтов, винтов, шпилек, штифтов и гаек
ОСТ 1 39503-77 Длины болтов и винтов
ОСТ 1 39504-79 Головки шестигранные болтов и винтов
ОСТ 1 51730-79 Оснастка для формообразования концов труб тяг управления из сплава Д16Т
ОСТ 1 51731-79 Оснастка для формообразования концов труб тяг управления из сплава Д16Т
ОСТ 1.41001-79 Диаметры отверстий под нарезание резьбы метрической по нормали 754АТ
ОСТ 1.41002-79 Диаметры стержней под нарезание резьбы метрической по нормали 754АТ и ОСТ 1.00039-73
ОСТ 92-0762-72 Болты, винты из титановых сплавов
ОСТ 92-1130-85 Детали стальные точные
ОСТ 92-1179-77 Детали и сборочные единицы из сталей марок 07Х16Н6 и 08Х17Н5М3
ОСТ 92-8653-75 по ОСТ 92-8674-75 Соединения трубопроводов по внутреннему конусу
ОСТ 92-8843-77 Крепежные детали повышенного качества
ОСТ-1-33102-80 Взамен нормали 102АТУ Гайки ОСТ-1-33102-80
Отраслевая нормаль 214АТ В замен нормали 214МТ55 метрическая резьбой со свободной посадкой
Отраслевая нормаль 714М55 pdf Кольца плоские ,стопорные технические условия
Отраслевая нормаль авиационной техники 101АТУ Взамен 201СТУ51
2026 «Быстрометиз». Мы не интернет-магазин. Информация о наличии и стоимости продукции не является публичной офертой.
Задайте вопрос нашим специалистам