ОСТ 1 11380-73 Гайки самоконтрящиеся угловые

ОСТ 1 11380-73 гайки самоконтрящиеся угловые

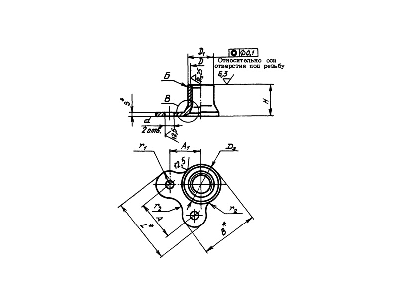
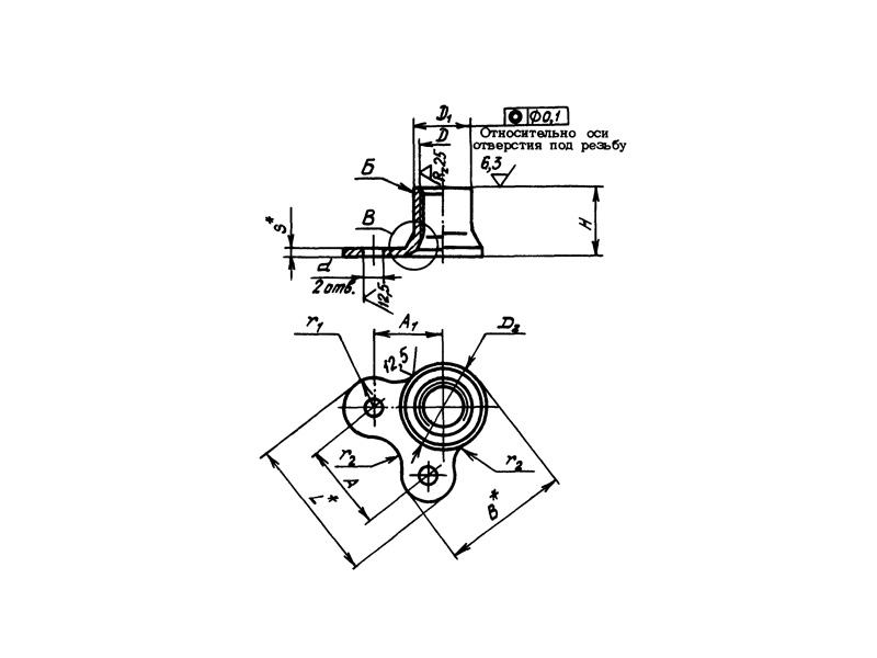
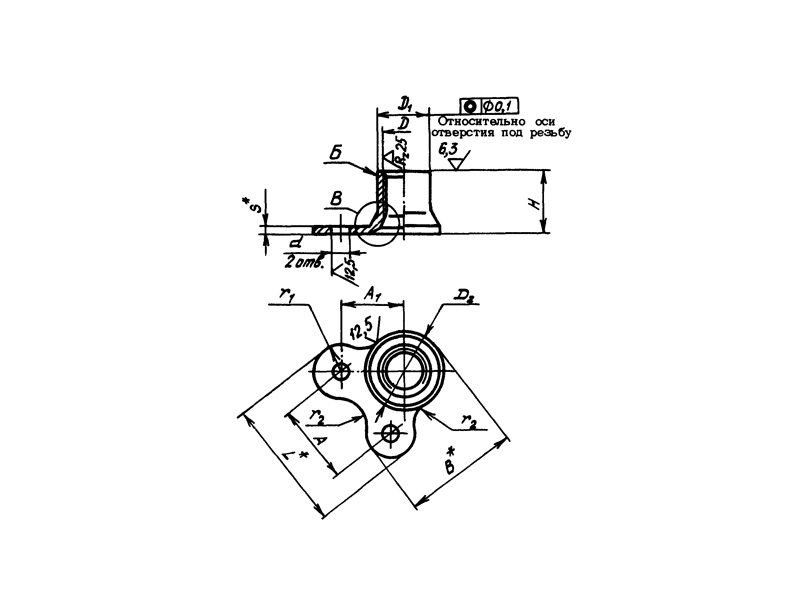
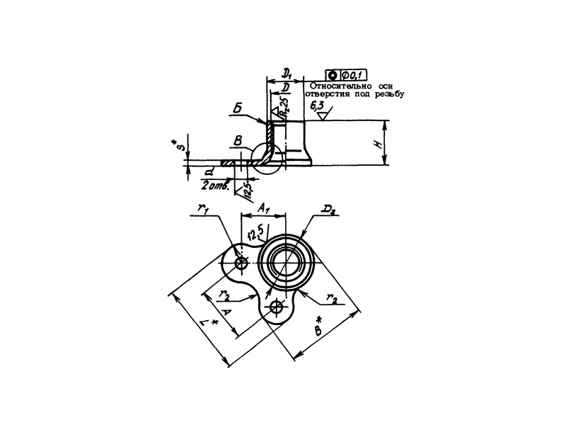
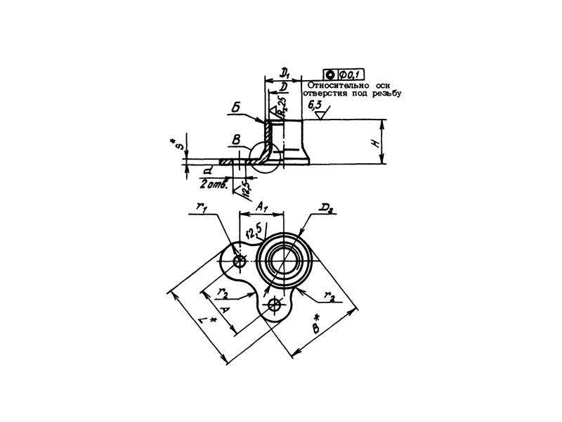
     Гайки самоконтрящиеся угловые по ОСТ 1 11380-73 – это крепеж, который представляет собой цилиндр с внутренним отверстием с резьбой и овальное основание, в котором два отверстия для крепления, ими крепят металлические конструкции с помощью болтов (шпилек). Используются вместе с болтами (шпильками, приваренными стержнями с резьбой).

КОНСТРУКЦИЯ И ТЕХНИЧЕСКИЕ ОСОБЕННОСТИ

     Конструкция гайки состоит из цилиндрического пустотелого стержня с внутренней резьбой и основания с двумя отверстиями.

     Материал изготовления: сталь 25ХГСА.

     Материал покрытия: Ц6.хр.бцв, Кд6.хр.

ОСТ 1 11380-73.pdf

Пример наименования и обозначения самоконтрящейся угловой гайки с резьбой MR6-5Н6Н с покрытием Ц.хр.бцв:

Гайка 6-1-Ц.бцв-ОСТ 1 11380-73

Гайка
Наименование метиза
6
Диаметр
1
MR6-5Н6Н
Ц.бцв
Материал покрытия
ОСТ 1 11380-73
Нормативно-технический документ

То же, с покрытием Кд,хр:

Гайка 6-1-Кд-ОСТ 1 11380-73

Гайка
Наименование метиза
6
Диаметр
1
MR6-5Н6Н
Кд
Материал покрытия
ОСТ 1 11380-73
Нормативно-технический документ

То же, с резьбой MR6 - 4Н5Н, с покрытием Хим.Окс:

Гайка 6-2-Хим.Окс-ОСТ 1 11380-73

Гайка
Наименование метиза
6
Диаметр
2
MR6 - 4Н5Н
Хим.Окс
Материал покрытия
ОСТ 1 11380-73
Нормативно-технический документ

ПРИМЕНЕНИЕ

     Гайки самоконтрящиеся применяются во многих отраслях промышленности.

АНАЛОГИ

ОСТ/ГОСТНормальНаименованиеТипоразмерНа складе
ОСТ 1 11380-73Гайка3В наличии
ОСТ 1 11380-73Гайка4В наличии
ОСТ 1 11380-73Гайка5В наличии
ОСТ 1 11380-73Гайка6В наличии
ОСТ 1 11380-73Гайка8В наличии
ОСТ 1 11380-73Гайка10В наличии

Для изготовителей и поставщиков: Добавить мои товары в базу

Для покупателей: Подать заявку на покупку

НаименованиеТипоразмерМатериалКоличество, штВес, кг
Гайка ОСТ 1 11380-73
О

ОСТ 1 30055-84 Накатка кольцевая стержней болт-заклепок из титанового сплава

ОСТ 1 31076-80 Маркировка крепежных изделий взамен НОРМАЛЬ 176АТ

ОСТ 1 31076-80: Маркировка крепежных изделий (взамен НОРМАЛЬ 176АТ)

ОСТ 1 38016-80 Футорки

ОСТ 1 38020-82 Втулки

ОСТ 1 39502-77 Стопорение болтов, винтов, шпилек, штифтов и гаек

ОСТ 1 39503-77 Длины болтов и винтов

ОСТ 1 39504-79 Головки шестигранные болтов и винтов

ОСТ 1 41471-79 Формообразование концов труб тяг управления из сплава Д16Т. Типовой технологический процесс

ОСТ 1 51730-79 Оснастка для формообразования концов труб тяг управления из сплава Д16Т

ОСТ 1 51731-79 Оснастка для формообразования концов труб тяг управления из сплава Д16Т

ОСТ 1.41001-79 Диаметры отверстий под нарезание резьбы метрической по нормали 754АТ

ОСТ 1.41002-79 Диаметры стержней под нарезание резьбы метрической по нормали 754АТ и ОСТ 1.00039-73

ОСТ 92-0762-72 Болты, винты из титановых сплавов

ОСТ 92-0912-69 Детали из высокопрочных углеродистых легированных и высоколегированных сталей. ОСТ 92-0912-69

ОСТ 92-1130-85 Детали стальные точные

ОСТ 92-1179-77 Детали и сборочные единицы из сталей марок 07Х16Н6 и 08Х17Н5М3

ОСТ 92-8653-75 по ОСТ 92-8674-75 Соединения трубопроводов по внутреннему конусу

ОСТ-1-33102-80 Взамен нормали 102АТУ Гайки ОСТ-1-33102-80

Отраслевая нормаль 214АТ В замен нормали 214МТ55 метрическая резьбой со свободной посадкой

Отраслевая нормаль 714М55 pdf Кольца плоские ,стопорные технические условия

Отраслевая нормаль авиационной техники 101АТУ Взамен 201СТУ51

Отраслевая нормаль авиационной техники. Нормаль 722АТ.

Р

РЕЗЬБА МЕТРИЧЕСКАЯ

Резьба метрическая усиленная тугой посадкой сталь в алюминиевые и магниевые сплавы. Нормаль 254АТ взамен нормальный 154МТ46

Резьба метрическая. Основные размеры и допуски. Отраслевая нормаль 257АТ взамен 57АТ50 взамен 153МТ54.

РЕЗЬБА ТРАПЕЦЕИДАЛЬНАЯ

РЕЗЬБА ТРУБНАЯ ЦИЛИНДРИЧЕСКАЯ

РЕЗЬБА УПОРНАЯ

Резьба усиленная метрическая тугой посадкой сталь сталь система вала настоящая норма распространяется на резьбу усиленную метрическую тугой посадкой для сопрягаемых материалов сталь в сталь. Нормаль 122МТ53 взамен нормали 122МТ51

Резьба усиленная метрическая тугой посадкой сталь сталь система вала настоящая норма распространяется на резьбу усиленную метрическую тугой посадкой для сопрягаемых материалов сталь в сталь. Нормаль 122МТ53 взамен нормали 122МТ51

Резьбовые соединения. Резьба метрическая с натягом по посадкам 2Н5Д и 2Н5С Отраслевой стандарт ОСТ 1 04065–92

Оформите заказ или получите консультацию