ОСТ 1 11347-73 Заклепки винтовые

ОСТ 1 11347-73 ЗАКЛЕПКИ ВИНТОВЫЕ

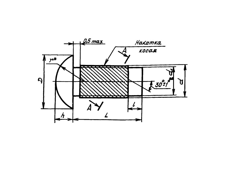
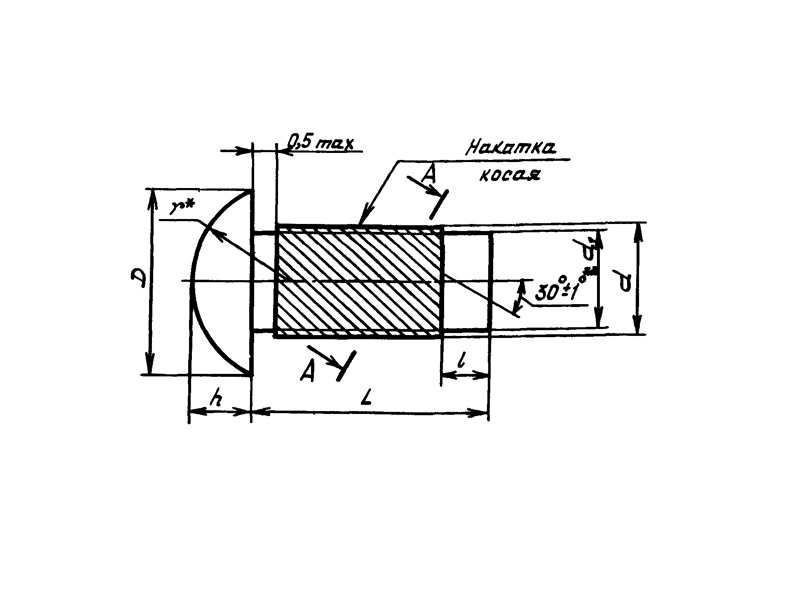
     Заклепки винтовые по ОСТ 1 11347-73 – это специальный крепеж, предназначенный для крепления пластин-табличек к корпусам из алюминиевых сплавов. Взамен нормали 2664С56.

КОНСТРУКЦИЯ И ТЕХНИЧЕСКИЕ ОСОБЕННОСТИ

     Конструкция заклепки состоит из трубчатого корпуса с косой накаткой и головки.

     Материал изготовления: сталь 12Х18Н9Т.

     Материал покрытия: Хим.Пас.

ОСТ 1 11347-73.pdf

Пример наименования и обозначения винтовой заклепки с условным диаметром 3 мм из стали 15, кадмированной:

Заклепка 3-Кд-ОСТ 1 11346-73

То же, из стали 12Х18Н9Т, пассивированной:

Заклепка 3-Хим.Пас-ОСТ 1 11347-73

Заклепка
Наименование метиза
3
Диаметр
Хим.Пас
Материал покрытия
ОСТ 1 11347-73
Нормативно-технический документ

ПРИМЕНЕНИЕ

     Данные заклепки используются во многих отраслях промышленности.

АНАЛОГИ

Нормаль 2664С56

ОСТ/ГОСТНормальНаименованиеТипоразмерНа складе
ОСТ 1 11347-732664С56Заклепка1,9В наличии
ОСТ 1 11347-732664С56Заклепка2,4В наличии
ОСТ 1 11347-732664С56Заклепка3,0В наличии
ОСТ 1 11347-732664С56Заклепка3,4В наличии
ОСТ 1 11347-732664С56Заклепка4,4В наличии

Для изготовителей и поставщиков: Добавить мои товары в базу

Для покупателей: Подать заявку на покупку

НаименованиеТипоразмерМатериалКоличество, штВес, кг
Заклепка ОСТ 1 11347-73 2664С56
О

ОСТ 1 30055-84 Накатка кольцевая стержней болт-заклепок из титанового сплава

ОСТ 1 31076-80 Маркировка крепежных изделий взамен НОРМАЛЬ 176АТ

ОСТ 1 31076-80: Маркировка крепежных изделий (взамен НОРМАЛЬ 176АТ)

ОСТ 1 38016-80 Футорки

ОСТ 1 38020-82 Втулки

ОСТ 1 39502-77 Стопорение болтов, винтов, шпилек, штифтов и гаек

ОСТ 1 39503-77 Длины болтов и винтов

ОСТ 1 39504-79 Головки шестигранные болтов и винтов

ОСТ 1 41471-79 Формообразование концов труб тяг управления из сплава Д16Т. Типовой технологический процесс

ОСТ 1 51730-79 Оснастка для формообразования концов труб тяг управления из сплава Д16Т

ОСТ 1 51731-79 Оснастка для формообразования концов труб тяг управления из сплава Д16Т

ОСТ 1.41001-79 Диаметры отверстий под нарезание резьбы метрической по нормали 754АТ

ОСТ 1.41002-79 Диаметры стержней под нарезание резьбы метрической по нормали 754АТ и ОСТ 1.00039-73

ОСТ 92-0762-72 Болты, винты из титановых сплавов

ОСТ 92-0912-69 Детали из высокопрочных углеродистых легированных и высоколегированных сталей. ОСТ 92-0912-69

ОСТ 92-1179-77 Детали и сборочные единицы из сталей марок 07Х16Н6 и 08Х17Н5М3

ОСТ 92-8653-75 по ОСТ 92-8674-75 Соединения трубопроводов по внутреннему конусу

ОСТ-1-33102-80 Взамен нормали 102АТУ Гайки ОСТ-1-33102-80

Отраслевая нормаль 214АТ В замен нормали 214МТ55 метрическая резьбой со свободной посадкой

Отраслевая нормаль 714М55 pdf Кольца плоские ,стопорные технические условия

Отраслевая нормаль авиационной техники 101АТУ Взамен 201СТУ51

Отраслевая нормаль авиационной техники. Нормаль 722АТ.

Р

РЕЗЬБА МЕТРИЧЕСКАЯ

Резьба метрическая усиленная тугой посадкой сталь в алюминиевые и магниевые сплавы. Нормаль 254АТ взамен нормальный 154МТ46

Резьба метрическая. Основные размеры и допуски. Отраслевая нормаль 257АТ взамен 57АТ50 взамен 153МТ54.

РЕЗЬБА ТРАПЕЦЕИДАЛЬНАЯ

РЕЗЬБА ТРУБНАЯ ЦИЛИНДРИЧЕСКАЯ

РЕЗЬБА УПОРНАЯ

Резьба усиленная метрическая тугой посадкой сталь сталь система вала настоящая норма распространяется на резьбу усиленную метрическую тугой посадкой для сопрягаемых материалов сталь в сталь. Нормаль 122МТ53 взамен нормали 122МТ51

Резьба усиленная метрическая тугой посадкой сталь сталь система вала настоящая норма распространяется на резьбу усиленную метрическую тугой посадкой для сопрягаемых материалов сталь в сталь. Нормаль 122МТ53 взамен нормали 122МТ51

Резьбовые соединения. Резьба метрическая с натягом по посадкам 2Н5Д и 2Н5С Отраслевой стандарт ОСТ 1 04065–92

Оформите заказ или получите консультацию