ОСТ 1 10837-72 Болты с уменьшенной плоско-выпуклой головкой с полем допуска диаметра стержня f9 из титанового сплава

ОСТ 1 10837-72 БОЛТЫ С УМЕНЬШЕННОЙ ПЛОСКО-ВЫПУКЛОЙ ГОЛОВКОЙ С ПОЛЕМ ДОПУСКА ДИАМЕТРА СТЕРЖНЯ F9 ИЗ ТИТАНОВОГО СПЛАВА

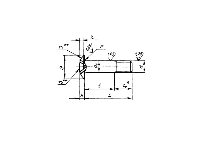
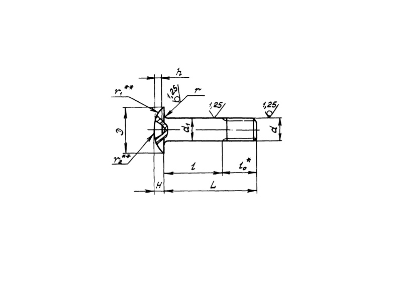
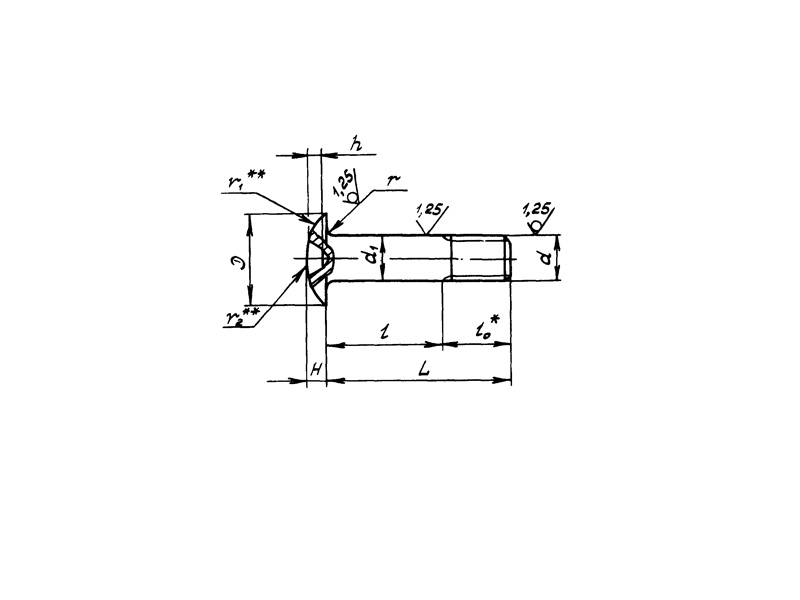
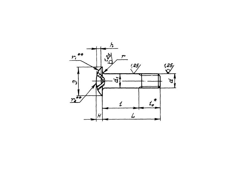
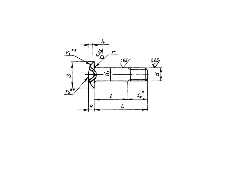
     Болты по ОСТ 1 10837-72 – это особый крепеж, предназначенный для эксплуатации в соединениях, работающих на срез, при определенных температурах. Взамен нормали 5940А.

КОНСТРУКЦИЯ И ТЕХНИЧЕСКИЕ ОСОБЕННОСТИ

     Конструкция болта состоит из цилиндрического стержня с плоско-выпуклой головкой.

     Материал изготовления: титановый сплав ВТ16.

     Материал покрытия: Ан.Окс 2-3.

ОСТ 1 10837-72.pdf

Пример наименования и обозначения болта с уменьшенной плоско-выпуклой головкой, с полем допуска диаметра стержня f9, из титанового сплава, с резьбой М6 и длиной L=24мм, анодированного:

Болт 6-24-Ан.Окс-ОСТ 1 10837-72

Болт
Наименование метиза
6
Диаметр резьбы
24
Длина
Ан.Окс
Материал покрытия
ОСТ 1 10837-72
Нормативно-технический документ

ПРИМЕНЕНИЕ

     Данные болты используются во многих отраслях промышленности.

АНАЛОГИ

Нормаль 5940А.

ОСТ/ГОСТНормальНаименованиеТипоразмерНа складе
ОСТ 1 10837-725940АБолт4х10В наличии
ОСТ 1 10837-725940АБолт4х12В наличии
ОСТ 1 10837-725940АБолт4х14В наличии
ОСТ 1 10837-725940АБолт4х16В наличии
ОСТ 1 10837-725940АБолт4х18В наличии
ОСТ 1 10837-725940АБолт4х20В наличии
ОСТ 1 10837-725940АБолт4х22В наличии
ОСТ 1 10837-725940АБолт4х24В наличии
ОСТ 1 10837-725940АБолт4х26В наличии
ОСТ 1 10837-725940АБолт4х28В наличии
ОСТ 1 10837-725940АБолт4х30В наличии
ОСТ 1 10837-725940АБолт4х32В наличии
ОСТ 1 10837-725940АБолт4х34В наличии
ОСТ 1 10837-725940АБолт5х12В наличии
ОСТ 1 10837-725940АБолт5х14В наличии
ОСТ 1 10837-725940АБолт5х16В наличии
ОСТ 1 10837-725940АБолт5х18В наличии
ОСТ 1 10837-725940АБолт5х20В наличии
ОСТ 1 10837-725940АБолт5х22В наличии
ОСТ 1 10837-725940АБолт5х24В наличии
ОСТ 1 10837-725940АБолт5х26В наличии
ОСТ 1 10837-725940АБолт5х28В наличии
ОСТ 1 10837-725940АБолт5х30В наличии
ОСТ 1 10837-725940АБолт5х32В наличии
ОСТ 1 10837-725940АБолт5х34В наличии
ОСТ 1 10837-725940АБолт5х36В наличии
ОСТ 1 10837-725940АБолт5х38В наличии
ОСТ 1 10837-725940АБолт5х40В наличии
ОСТ 1 10837-725940АБолт5х42В наличии
ОСТ 1 10837-725940АБолт5х44В наличии
ОСТ 1 10837-725940АБолт6х14В наличии
ОСТ 1 10837-725940АБолт6х16В наличии
ОСТ 1 10837-725940АБолт6х18В наличии
ОСТ 1 10837-725940АБолт6х20В наличии
ОСТ 1 10837-725940АБолт6х22В наличии
ОСТ 1 10837-725940АБолт6х24В наличии
ОСТ 1 10837-725940АБолт6х26В наличии
ОСТ 1 10837-725940АБолт6х28В наличии
ОСТ 1 10837-725940АБолт6х30В наличии
ОСТ 1 10837-725940АБолт6х32В наличии
ОСТ 1 10837-725940АБолт6х34В наличии
ОСТ 1 10837-725940АБолт6х36В наличии
ОСТ 1 10837-725940АБолт6х38В наличии
ОСТ 1 10837-725940АБолт6х40В наличии
ОСТ 1 10837-725940АБолт6х42В наличии
ОСТ 1 10837-725940АБолт6х44В наличии
ОСТ 1 10837-725940АБолт6х46В наличии
ОСТ 1 10837-725940АБолт6х48В наличии
ОСТ 1 10837-725940АБолт6х50В наличии
ОСТ 1 10837-725940АБолт8х16В наличии
ОСТ 1 10837-725940АБолт8х18В наличии
ОСТ 1 10837-725940АБолт8х20В наличии
ОСТ 1 10837-725940АБолт8х22В наличии
ОСТ 1 10837-725940АБолт8х24В наличии
ОСТ 1 10837-725940АБолт8х26В наличии
ОСТ 1 10837-725940АБолт8х28В наличии
ОСТ 1 10837-725940АБолт8х30В наличии
ОСТ 1 10837-725940АБолт8х32В наличии
ОСТ 1 10837-725940АБолт8х34В наличии
ОСТ 1 10837-725940АБолт8х36В наличии
ОСТ 1 10837-725940АБолт8х38В наличии
ОСТ 1 10837-725940АБолт8х40В наличии
ОСТ 1 10837-725940АБолт8х42В наличии
ОСТ 1 10837-725940АБолт8х44В наличии
ОСТ 1 10837-725940АБолт8х46В наличии
ОСТ 1 10837-725940АБолт8х48В наличии
ОСТ 1 10837-725940АБолт8х50В наличии
ОСТ 1 10837-725940АБолт8х52В наличии
ОСТ 1 10837-725940АБолт8х54В наличии
ОСТ 1 10837-725940АБолт8х56В наличии
ОСТ 1 10837-725940АБолт8х58В наличии
ОСТ 1 10837-725940АБолт8х60В наличии

Для изготовителей и поставщиков: Добавить мои товары в базу

Для покупателей: Подать заявку на покупку

НаименованиеТипоразмерМатериалКоличество, штВес, кг
Болт ОСТ 1 10837-72 5940А
О

ОСТ 1 30055-84 Накатка кольцевая стержней болт-заклепок из титанового сплава

ОСТ 1 31076-80 Маркировка крепежных изделий взамен НОРМАЛЬ 176АТ

ОСТ 1 31076-80: Маркировка крепежных изделий (взамен НОРМАЛЬ 176АТ)

ОСТ 1 38016-80 Футорки

ОСТ 1 38020-82 Втулки

ОСТ 1 39502-77 Стопорение болтов, винтов, шпилек, штифтов и гаек

ОСТ 1 39503-77 Длины болтов и винтов

ОСТ 1 39504-79 Головки шестигранные болтов и винтов

ОСТ 1 41471-79 Формообразование концов труб тяг управления из сплава Д16Т. Типовой технологический процесс

ОСТ 1 51730-79 Оснастка для формообразования концов труб тяг управления из сплава Д16Т

ОСТ 1 51731-79 Оснастка для формообразования концов труб тяг управления из сплава Д16Т

ОСТ 1.41001-79 Диаметры отверстий под нарезание резьбы метрической по нормали 754АТ

ОСТ 1.41002-79 Диаметры стержней под нарезание резьбы метрической по нормали 754АТ и ОСТ 1.00039-73

ОСТ 92-0762-72 Болты, винты из титановых сплавов

ОСТ 92-0912-69 Детали из высокопрочных углеродистых легированных и высоколегированных сталей. ОСТ 92-0912-69

ОСТ 92-1130-85 Детали стальные точные

ОСТ 92-1179-77 Детали и сборочные единицы из сталей марок 07Х16Н6 и 08Х17Н5М3

ОСТ 92-8653-75 по ОСТ 92-8674-75 Соединения трубопроводов по внутреннему конусу

ОСТ-1-33102-80 Взамен нормали 102АТУ Гайки ОСТ-1-33102-80

Отраслевая нормаль 214АТ В замен нормали 214МТ55 метрическая резьбой со свободной посадкой

Отраслевая нормаль 714М55 pdf Кольца плоские ,стопорные технические условия

Отраслевая нормаль авиационной техники 101АТУ Взамен 201СТУ51

Отраслевая нормаль авиационной техники. Нормаль 722АТ.

Р

РЕЗЬБА МЕТРИЧЕСКАЯ

Резьба метрическая усиленная тугой посадкой сталь в алюминиевые и магниевые сплавы. Нормаль 254АТ взамен нормальный 154МТ46

Резьба метрическая. Основные размеры и допуски. Отраслевая нормаль 257АТ взамен 57АТ50 взамен 153МТ54.

РЕЗЬБА ТРАПЕЦЕИДАЛЬНАЯ

РЕЗЬБА ТРУБНАЯ ЦИЛИНДРИЧЕСКАЯ

РЕЗЬБА УПОРНАЯ

Резьба усиленная метрическая тугой посадкой сталь сталь система вала настоящая норма распространяется на резьбу усиленную метрическую тугой посадкой для сопрягаемых материалов сталь в сталь. Нормаль 122МТ53 взамен нормали 122МТ51

Резьба усиленная метрическая тугой посадкой сталь сталь система вала настоящая норма распространяется на резьбу усиленную метрическую тугой посадкой для сопрягаемых материалов сталь в сталь. Нормаль 122МТ53 взамен нормали 122МТ51

Резьбовые соединения. Резьба метрическая с натягом по посадкам 2Н5Д и 2Н5С Отраслевой стандарт ОСТ 1 04065–92

Оформите заказ или получите консультацию