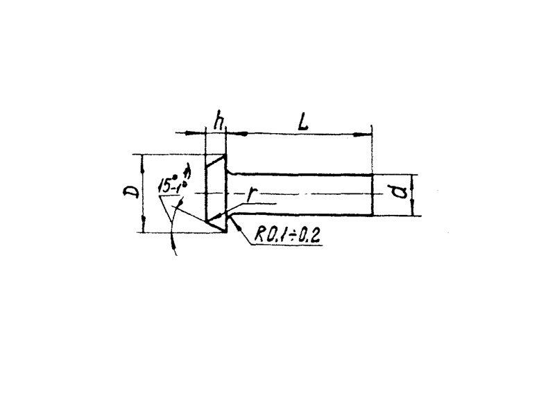
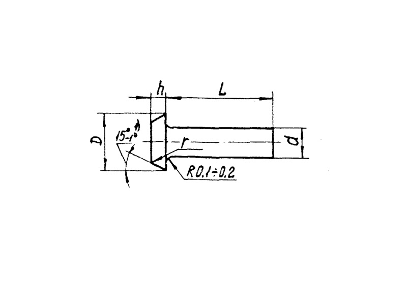
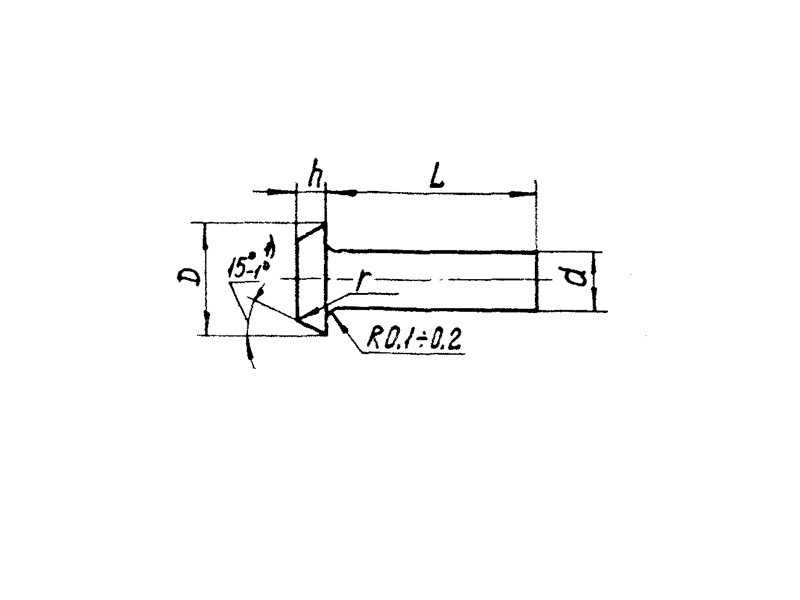
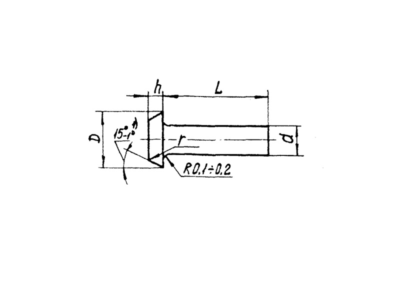
НОРМАЛЬ 3502А. ЗАКЛЕПКИ С ПЛОСКОЙ ГОЛОВКОЙ
Заклепки по нормали 3502А –это специальный крепеж, так как его конструкция заключается в цилиндрическом стержне и плоской головке, ими можно соединять и закреплять металлические детали между собой, по средствам расклепывания стержня и получения шляпки, фиксирующей соединение. Взамен нормалей 2000А50-2005А50.
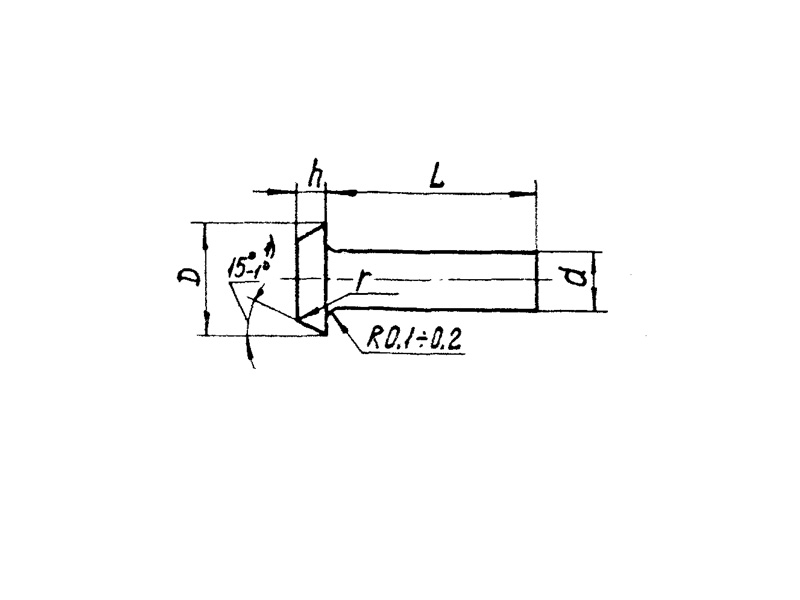
КОНСТРУКЦИЯ И ТЕХНИЧЕСКИЕ ОСОБЕННОСТИ
Конструкция заклёпки состоит из цилиндрического стержня и плоской головки.
Материал изготовления: алюминиевый сплав АМг5П.
Материал покрытия: Ан.Окс.
Пример наименования и обозначения заклепки с размерами d=4 и L=12 мм:
Заклепка 3502А-4-12
ПРИМЕНЕНИЕ
Данные заклепки используются во многих отраслях промышленности.
АНАЛОГИ
Нормали 2000А50-2005А50.
| ОСТ/ГОСТ | Нормаль | Наименование | Типоразмер | На складе |
| 3502А | 2000А50-2005А50 | Заклепка | 2х4 | В наличии |
| 3502А | 2000А50-2005А50 | Заклепка | 2х5 | В наличии |
| 3502А | 2000А50-2005А50 | Заклепка | 2х6 | В наличии |
| 3502А | 2000А50-2005А50 | Заклепка | 2х7 | В наличии |
| 3502А | 2000А50-2005А50 | Заклепка | 2х8 | В наличии |
| 3502А | 2000А50-2005А50 | Заклепка | 2х9 | В наличии |
| 3502А | 2000А50-2005А50 | Заклепка | 2х10 | В наличии |
| 3502А | 2000А50-2005А50 | Заклепка | 2х11 | В наличии |
| 3502А | 2000А50-2005А50 | Заклепка | 2х12 | В наличии |
| 3502А | 2000А50-2005А50 | Заклепка | 2х13 | В наличии |
| 3502А | 2000А50-2005А50 | Заклепка | 2х14 | В наличии |
| 3502А | 2000А50-2005А50 | Заклепка | 2х15 | В наличии |
| 3502А | 2000А50-2005А50 | Заклепка | 2х16 | В наличии |
| 3502А | 2000А50-2005А50 | Заклепка | 2,6х4 | В наличии |
| 3502А | 2000А50-2005А50 | Заклепка | 2,6х5 | В наличии |
| 3502А | 2000А50-2005А50 | Заклепка | 2,6х6 | В наличии |
| 3502А | 2000А50-2005А50 | Заклепка | 2,6х7 | В наличии |
| 3502А | 2000А50-2005А50 | Заклепка | 2,6х8 | В наличии |
| 3502А | 2000А50-2005А50 | Заклепка | 2,6х9 | В наличии |
| 3502А | 2000А50-2005А50 | Заклепка | 2,6х10 | В наличии |
| 3502А | 2000А50-2005А50 | Заклепка | 2,6х11 | В наличии |
| 3502А | 2000А50-2005А50 | Заклепка | 2,6х12 | В наличии |
| 3502А | 2000А50-2005А50 | Заклепка | 2,6х13 | В наличии |
| 3502А | 2000А50-2005А50 | Заклепка | 2,6х14 | В наличии |
| 3502А | 2000А50-2005А50 | Заклепка | 2,6х15 | В наличии |
| 3502А | 2000А50-2005А50 | Заклепка | 2,6х16 | В наличии |
| 3502А | 2000А50-2005А50 | Заклепка | 2,6х17 | В наличии |
| 3502А | 2000А50-2005А50 | Заклепка | 2,6х18 | В наличии |
| 3502А | 2000А50-2005А50 | Заклепка | 2,6х19 | В наличии |
| 3502А | 2000А50-2005А50 | Заклепка | 2,6х20 | В наличии |
| 3502А | 2000А50-2005А50 | Заклепка | 3х5 | В наличии |
| 3502А | 2000А50-2005А50 | Заклепка | 3х6 | В наличии |
| 3502А | 2000А50-2005А50 | Заклепка | 3х7 | В наличии |
| 3502А | 2000А50-2005А50 | Заклепка | 3х8 | В наличии |
| 3502А | 2000А50-2005А50 | Заклепка | 3х9 | В наличии |
| 3502А | 2000А50-2005А50 | Заклепка | 3х10 | В наличии |
| 3502А | 2000А50-2005А50 | Заклепка | 3х11 | В наличии |
| 3502А | 2000А50-2005А50 | Заклепка | 3х12 | В наличии |
| 3502А | 2000А50-2005А50 | Заклепка | 3х13 | В наличии |
| 3502А | 2000А50-2005А50 | Заклепка | 3х14 | В наличии |
| 3502А | 2000А50-2005А50 | Заклепка | 3х15 | В наличии |
| 3502А | 2000А50-2005А50 | Заклепка | 3х16 | В наличии |
| 3502А | 2000А50-2005А50 | Заклепка | 3х17 | В наличии |
| 3502А | 2000А50-2005А50 | Заклепка | 3х18 | В наличии |
| 3502А | 2000А50-2005А50 | Заклепка | 3х19 | В наличии |
| 3502А | 2000А50-2005А50 | Заклепка | 3х20 | В наличии |
| 3502А | 2000А50-2005А50 | Заклепка | 3х22 | В наличии |
| 3502А | 2000А50-2005А50 | Заклепка | 3х24 | В наличии |
| 3502А | 2000А50-2005А50 | Заклепка | 3,5х6 | В наличии |
| 3502А | 2000А50-2005А50 | Заклепка | 3,5х7 | В наличии |
| 3502А | 2000А50-2005А50 | Заклепка | 3,5х8 | В наличии |
| 3502А | 2000А50-2005А50 | Заклепка | 3,5х9 | В наличии |
| 3502А | 2000А50-2005А50 | Заклепка | 3,5х10 | В наличии |
| 3502А | 2000А50-2005А50 | Заклепка | 3,5х11 | В наличии |
| 3502А | 2000А50-2005А50 | Заклепка | 3,5х12 | В наличии |
| 3502А | 2000А50-2005А50 | Заклепка | 3,5х13 | В наличии |
| 3502А | 2000А50-2005А50 | Заклепка | 3,5х14 | В наличии |
| 3502А | 2000А50-2005А50 | Заклепка | 3,5х15 | В наличии |
| 3502А | 2000А50-2005А50 | Заклепка | 3,5х16 | В наличии |
| 3502А | 2000А50-2005А50 | Заклепка | 3,5х17 | В наличии |
| 3502А | 2000А50-2005А50 | Заклепка | 3,5х18 | В наличии |
| 3502А | 2000А50-2005А50 | Заклепка | 3,5х19 | В наличии |
| 3502А | 2000А50-2005А50 | Заклепка | 3,5х20 | В наличии |
| 3502А | 2000А50-2005А50 | Заклепка | 3,5х22 | В наличии |
| 3502А | 2000А50-2005А50 | Заклепка | 3,5х24 | В наличии |
| 3502А | 2000А50-2005А50 | Заклепка | 3,5х26 | В наличии |
| 3502А | 2000А50-2005А50 | Заклепка | 3,5х28 | В наличии |
| 3502А | 2000А50-2005А50 | Заклепка | 4х6 | В наличии |
| 3502А | 2000А50-2005А50 | Заклепка | 4х7 | В наличии |
| 3502А | 2000А50-2005А50 | Заклепка | 4х8 | В наличии |
| 3502А | 2000А50-2005А50 | Заклепка | 4х9 | В наличии |
| 3502А | 2000А50-2005А50 | Заклепка | 4х10 | В наличии |
| 3502А | 2000А50-2005А50 | Заклепка | 4х11 | В наличии |
| 3502А | 2000А50-2005А50 | Заклепка | 4х12 | В наличии |
| 3502А | 2000А50-2005А50 | Заклепка | 4х13 | В наличии |
| 3502А | 2000А50-2005А50 | Заклепка | 4х14 | В наличии |
| 3502А | 2000А50-2005А50 | Заклепка | 4х15 | В наличии |
| 3502А | 2000А50-2005А50 | Заклепка | 4х16 | В наличии |
| 3502А | 2000А50-2005А50 | Заклепка | 4х17 | В наличии |
| 3502А | 2000А50-2005А50 | Заклепка | 4х18 | В наличии |
| 3502А | 2000А50-2005А50 | Заклепка | 4х19 | В наличии |
| 3502А | 2000А50-2005А50 | Заклепка | 4х20 | В наличии |
| 3502А | 2000А50-2005А50 | Заклепка | 4х22 | В наличии |
| 3502А | 2000А50-2005А50 | Заклепка | 4х24 | В наличии |
| 3502А | 2000А50-2005А50 | Заклепка | 4х26 | В наличии |
| 3502А | 2000А50-2005А50 | Заклепка | 4х28 | В наличии |
| 3502А | 2000А50-2005А50 | Заклепка | 4х30 | В наличии |
| 3502А | 2000А50-2005А50 | Заклепка | 4х32 | В наличии |
| 3502А | 2000А50-2005А50 | Заклепка | 5х8 | В наличии |
| 3502А | 2000А50-2005А50 | Заклепка | 5х9 | В наличии |
| 3502А | 2000А50-2005А50 | Заклепка | 5х10 | В наличии |
| 3502А | 2000А50-2005А50 | Заклепка | 5х11 | В наличии |
| 3502А | 2000А50-2005А50 | Заклепка | 5х12 | В наличии |
| 3502А | 2000А50-2005А50 | Заклепка | 5х13 | В наличии |
| 3502А | 2000А50-2005А50 | Заклепка | 5х14 | В наличии |
| 3502А | 2000А50-2005А50 | Заклепка | 5х15 | В наличии |
| 3502А | 2000А50-2005А50 | Заклепка | 5х16 | В наличии |
| 3502А | 2000А50-2005А50 | Заклепка | 5х17 | В наличии |
| 3502А | 2000А50-2005А50 | Заклепка | 5х18 | В наличии |
| 3502А | 2000А50-2005А50 | Заклепка | 5х19 | В наличии |
| 3502А | 2000А50-2005А50 | Заклепка | 5х20 | В наличии |
| 3502А | 2000А50-2005А50 | Заклепка | 5х22 | В наличии |
| 3502А | 2000А50-2005А50 | Заклепка | 5х24 | В наличии |
| 3502А | 2000А50-2005А50 | Заклепка | 5х26 | В наличии |
| 3502А | 2000А50-2005А50 | Заклепка | 5х28 | В наличии |
| 3502А | 2000А50-2005А50 | Заклепка | 5х30 | В наличии |
| 3502А | 2000А50-2005А50 | Заклепка | 5х32 | В наличии |
| 3502А | 2000А50-2005А50 | Заклепка | 5х34 | В наличии |
| 3502А | 2000А50-2005А50 | Заклепка | 5х36 | В наличии |
| 3502А | 2000А50-2005А50 | Заклепка | 5х38 | В наличии |
| 3502А | 2000А50-2005А50 | Заклепка | 5х40 | В наличии |
| 3502А | 2000А50-2005А50 | Заклепка | 6х10 | В наличии |
| 3502А | 2000А50-2005А50 | Заклепка | 6х11 | В наличии |
| 3502А | 2000А50-2005А50 | Заклепка | 6х12 | В наличии |
| 3502А | 2000А50-2005А50 | Заклепка | 6х13 | В наличии |
| 3502А | 2000А50-2005А50 | Заклепка | 6х14 | В наличии |
| 3502А | 2000А50-2005А50 | Заклепка | 6х15 | В наличии |
| 3502А | 2000А50-2005А50 | Заклепка | 6х16 | В наличии |
| 3502А | 2000А50-2005А50 | Заклепка | 6х17 | В наличии |
| 3502А | 2000А50-2005А50 | Заклепка | 6х18 | В наличии |
| 3502А | 2000А50-2005А50 | Заклепка | 6х19 | В наличии |
| 3502А | 2000А50-2005А50 | Заклепка | 6х20 | В наличии |
| 3502А | 2000А50-2005А50 | Заклепка | 6х22 | В наличии |
| 3502А | 2000А50-2005А50 | Заклепка | 6х24 | В наличии |
| 3502А | 2000А50-2005А50 | Заклепка | 6х26 | В наличии |
| 3502А | 2000А50-2005А50 | Заклепка | 6х28 | В наличии |
| 3502А | 2000А50-2005А50 | Заклепка | 6х30 | В наличии |
| 3502А | 2000А50-2005А50 | Заклепка | 6х32 | В наличии |
| 3502А | 2000А50-2005А50 | Заклепка | 6х34 | В наличии |
| 3502А | 2000А50-2005А50 | Заклепка | 6х36 | В наличии |
| 3502А | 2000А50-2005А50 | Заклепка | 6х38 | В наличии |
| 3502А | 2000А50-2005А50 | Заклепка | 6х40 | В наличии |
| 3502А | 2000А50-2005А50 | Заклепка | 7х12 | В наличии |
| 3502А | 2000А50-2005А50 | Заклепка | 7х13 | В наличии |
| 3502А | 2000А50-2005А50 | Заклепка | 7х14 | В наличии |
| 3502А | 2000А50-2005А50 | Заклепка | 7х15 | В наличии |
| 3502А | 2000А50-2005А50 | Заклепка | 7х16 | В наличии |
| 3502А | 2000А50-2005А50 | Заклепка | 7х17 | В наличии |
| 3502А | 2000А50-2005А50 | Заклепка | 7х18 | В наличии |
| 3502А | 2000А50-2005А50 | Заклепка | 7х19 | В наличии |
| 3502А | 2000А50-2005А50 | Заклепка | 7х20 | В наличии |
| 3502А | 2000А50-2005А50 | Заклепка | 7х22 | В наличии |
| 3502А | 2000А50-2005А50 | Заклепка | 7х24 | В наличии |
| 3502А | 2000А50-2005А50 | Заклепка | 7х26 | В наличии |
| 3502А | 2000А50-2005А50 | Заклепка | 7х28 | В наличии |
| 3502А | 2000А50-2005А50 | Заклепка | 7х30 | В наличии |
| 3502А | 2000А50-2005А50 | Заклепка | 7х32 | В наличии |
| 3502А | 2000А50-2005А50 | Заклепка | 7х34 | В наличии |
| 3502А | 2000А50-2005А50 | Заклепка | 7х36 | В наличии |
| 3502А | 2000А50-2005А50 | Заклепка | 7х38 | В наличии |
| 3502А | 2000А50-2005А50 | Заклепка | 7х40 | В наличии |
| 3502А | 2000А50-2005А50 | Заклепка | 7х42 | В наличии |
| 3502А | 2000А50-2005А50 | Заклепка | 7х44 | В наличии |
| 3502А | 2000А50-2005А50 | Заклепка | 7х46 | В наличии |
| 3502А | 2000А50-2005А50 | Заклепка | 8х14 | В наличии |
| 3502А | 2000А50-2005А50 | Заклепка | 8х15 | В наличии |
| 3502А | 2000А50-2005А50 | Заклепка | 8х16 | В наличии |
| 3502А | 2000А50-2005А50 | Заклепка | 8х17 | В наличии |
| 3502А | 2000А50-2005А50 | Заклепка | 8х18 | В наличии |
| 3502А | 2000А50-2005А50 | Заклепка | 8х19 | В наличии |
| 3502А | 2000А50-2005А50 | Заклепка | 8х20 | В наличии |
| 3502А | 2000А50-2005А50 | Заклепка | 8х22 | В наличии |
| 3502А | 2000А50-2005А50 | Заклепка | 8х24 | В наличии |
| 3502А | 2000А50-2005А50 | Заклепка | 8х26 | В наличии |
| 3502А | 2000А50-2005А50 | Заклепка | 8х28 | В наличии |
| 3502А | 2000А50-2005А50 | Заклепка | 8х30 | В наличии |
| 3502А | 2000А50-2005А50 | Заклепка | 8х32 | В наличии |
| 3502А | 2000А50-2005А50 | Заклепка | 8х34 | В наличии |
| 3502А | 2000А50-2005А50 | Заклепка | 8х36 | В наличии |
| 3502А | 2000А50-2005А50 | Заклепка | 8х36 | В наличии |
| 3502А | 2000А50-2005А50 | Заклепка | 8х40 | В наличии |
| 3502А | 2000А50-2005А50 | Заклепка | 8х42 | В наличии |
| 3502А | 2000А50-2005А50 | Заклепка | 8х44 | В наличии |
| 3502А | 2000А50-2005А50 | Заклепка | 8х46 | В наличии |
| 3502А | 2000А50-2005А50 | Заклепка | 8х48 | В наличии |
| 3502А | 2000А50-2005А50 | Заклепка | 8х50 | В наличии |
| 3502А | 2000А50-2005А50 | Заклепка | 10х18 | В наличии |
| 3502А | 2000А50-2005А50 | Заклепка | 10х19 | В наличии |
| 3502А | 2000А50-2005А50 | Заклепка | 10х20 | В наличии |
| 3502А | 2000А50-2005А50 | Заклепка | 10х22 | В наличии |
| 3502А | 2000А50-2005А50 | Заклепка | 10х24 | В наличии |
| 3502А | 2000А50-2005А50 | Заклепка | 10х26 | В наличии |
| 3502А | 2000А50-2005А50 | Заклепка | 10х28 | В наличии |
| 3502А | 2000А50-2005А50 | Заклепка | 10х30 | В наличии |
| 3502А | 2000А50-2005А50 | Заклепка | 10х32 | В наличии |
| 3502А | 2000А50-2005А50 | Заклепка | 10х34 | В наличии |
| 3502А | 2000А50-2005А50 | Заклепка | 10х36 | В наличии |
| 3502А | 2000А50-2005А50 | Заклепка | 10х38 | В наличии |
| 3502А | 2000А50-2005А50 | Заклепка | 10х40 | В наличии |
| 3502А | 2000А50-2005А50 | Заклепка | 10х42 | В наличии |
| 3502А | 2000А50-2005А50 | Заклепка | 10х44 | В наличии |
| 3502А | 2000А50-2005А50 | Заклепка | 10х46 | В наличии |
| 3502А | 2000А50-2005А50 | Заклепка | 10х48 | В наличии |
| 3502А | 2000А50-2005А50 | Заклепка | 10х50 | В наличии |
| 3502А | 2000А50-2005А50 | Заклепка | 10х52 | В наличии |
| 3502А | 2000А50-2005А50 | Заклепка | 10х54 | В наличии |
| 3502А | 2000А50-2005А50 | Заклепка | 10х56 | В наличии |
| 3502А | 2000А50-2005А50 | Заклепка | 10х58 | В наличии |
| 3502А | 2000А50-2005А50 | Заклепка | 10х60 | В наличии |
Для изготовителей и поставщиков: Добавить мои товары в базу
Для покупателей: Подать заявку на покупку
| Наименование | Типоразмер | Материал | Количество, шт | Вес, кг |
| Заклепка 3502А 2000А50-2005А50 |
ОСТ 1 30055-84 Накатка кольцевая стержней болт-заклепок из титанового сплава
ОСТ 1 31076-80 Маркировка крепежных изделий взамен НОРМАЛЬ 176АТ
ОСТ 1 31076-80: Маркировка крепежных изделий (взамен НОРМАЛЬ 176АТ)
ОСТ 1 39502-77 Стопорение болтов, винтов, шпилек, штифтов и гаек
ОСТ 1 39503-77 Длины болтов и винтов
ОСТ 1 39504-79 Головки шестигранные болтов и винтов
ОСТ 1 51730-79 Оснастка для формообразования концов труб тяг управления из сплава Д16Т
ОСТ 1 51731-79 Оснастка для формообразования концов труб тяг управления из сплава Д16Т
ОСТ 1.41001-79 Диаметры отверстий под нарезание резьбы метрической по нормали 754АТ
ОСТ 1.41002-79 Диаметры стержней под нарезание резьбы метрической по нормали 754АТ и ОСТ 1.00039-73
ОСТ 92-0762-72 Болты, винты из титановых сплавов
ОСТ 92-1130-85 Детали стальные точные
ОСТ 92-1179-77 Детали и сборочные единицы из сталей марок 07Х16Н6 и 08Х17Н5М3
ОСТ 92-8653-75 по ОСТ 92-8674-75 Соединения трубопроводов по внутреннему конусу
ОСТ 92-8843-77 Крепежные детали повышенного качества
ОСТ-1-33102-80 Взамен нормали 102АТУ Гайки ОСТ-1-33102-80
Отраслевая нормаль 214АТ В замен нормали 214МТ55 метрическая резьбой со свободной посадкой
Отраслевая нормаль 714М55 pdf Кольца плоские ,стопорные технические условия
Отраслевая нормаль авиационной техники 101АТУ Взамен 201СТУ51
2026 «Быстрометиз». Мы не интернет-магазин. Информация о наличии и стоимости продукции не является публичной офертой.
Задайте вопрос нашим специалистам