Нормаль 6091С54 Наконечники для самолетных электропроводов. Наконечники малые

НОРМАЛЬ 6091С54 НАКОНЕЧНИКИ ДЛЯ САМОЛЕТНЫХ ЭЛЕКТРОПРОВОДОВ. НАКОНЕЧНИКИ МАЛЫЕ

     Наконечники – это специальный крепеж, предназначенный для самолетных электропроводов.

КОНСТРУКЦИЯ И ТЕХНИЧЕСКИЕ ОСОБЕННОСТИ

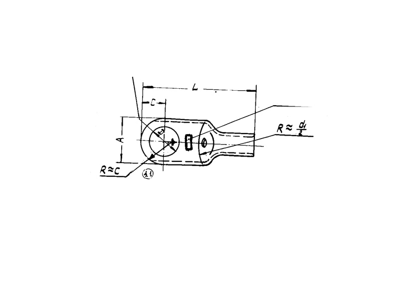
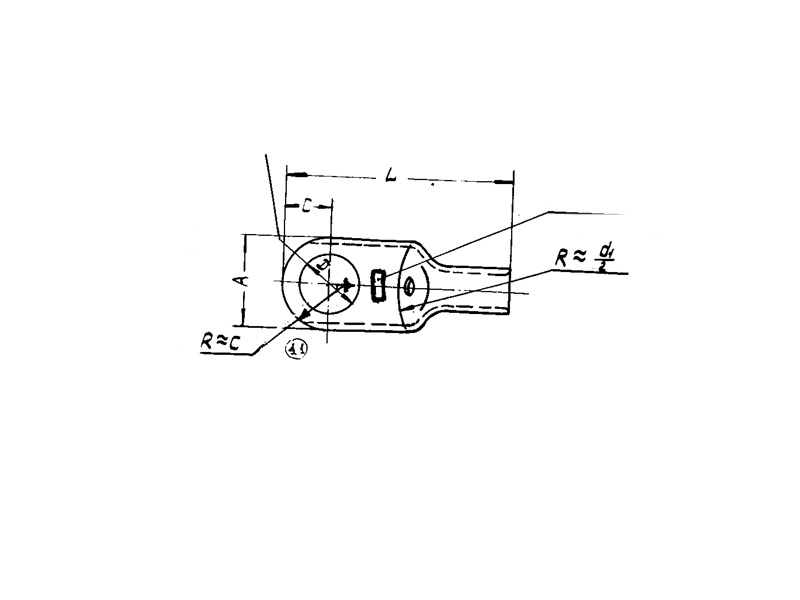
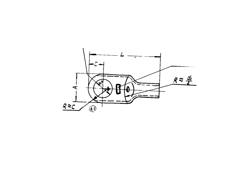
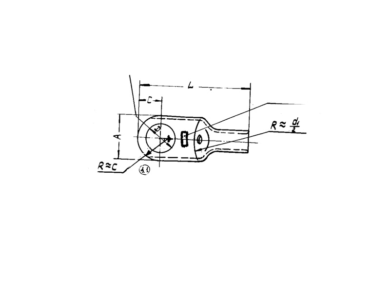
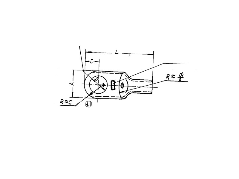
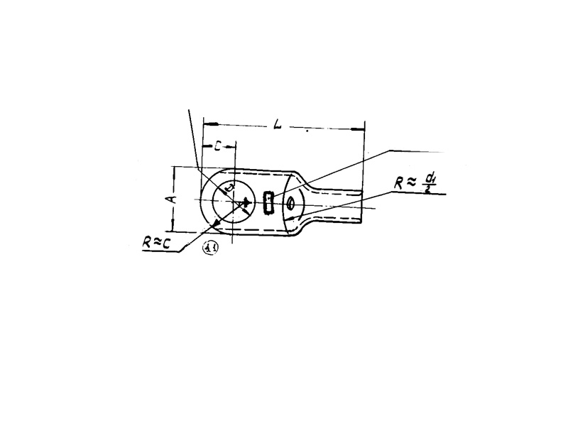
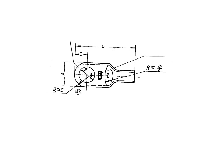
     Конструкция наконечника состоит из трубчатого корпуса с отверстием.

     Материал изготовления: трубы медные М2М и М3М.

     Материал покрытия: лужение, серебрение.

6091С54.pdf

Пример наименования и обозначения наконечника номер 2 типа 1 луженого:

6091С54-2

Наконечник
Наименование метиза
2
Номер
1
Тип
Нормаль 6091С54
Нормативно-технический документ

То же, серебреного:

6091С54-2-Ср

Наконечник
Наименование метиза
2
Номер
Ср
Серебрение
Нормаль 6091С54
Нормативно-технический документ

То же, типа 2 луженого:

6091С54-2-2

Наконечник
Наименование метиза
2
Номер
2
Тип
Нормаль 6091С54
Нормативно-технический документ

То же, типа 2 серебреного:

6091С54-2-2-Ср

Наконечник
Наименование метиза
2
Номер
2
Тип
Ср
Серебрение
Нормаль 6091С54
Нормативно-технический документ

ПРИМЕНЕНИЕ

     Данные наконечники используются в самолетостроении.

АНАЛОГИ

ОСТ/ГОСТНормальНаименованиеТипоразмерНа складе
6091С54Наконечник1В наличии
6091С54Наконечник2В наличии
6091С54Наконечник3В наличии
6091С54Наконечник4В наличии
6091С54Наконечник5В наличии
6091С54Наконечник6В наличии
6091С54Наконечник7В наличии
6091С54Наконечник8В наличии
6091С54Наконечник9В наличии
6091С54Наконечник10В наличии
6091С54Наконечник11В наличии
6091С54Наконечник12В наличии
6091С54Наконечник13В наличии
6091С54Наконечник14В наличии
6091С54Наконечник15В наличии
6091С54Наконечник16В наличии
6091С54Наконечник17В наличии

Для изготовителей и поставщиков: Добавить мои товары в базу

Для покупателей: Подать заявку на покупку

НаименованиеТипоразмерМатериалКоличество, штВес, кг
Наконечник 6091С54
О

ОСТ 1 30055-84 Накатка кольцевая стержней болт-заклепок из титанового сплава

ОСТ 1 31076-80 Маркировка крепежных изделий взамен НОРМАЛЬ 176АТ

ОСТ 1 31076-80: Маркировка крепежных изделий (взамен НОРМАЛЬ 176АТ)

ОСТ 1 38016-80 Футорки

ОСТ 1 38020-82 Втулки

ОСТ 1 39502-77 Стопорение болтов, винтов, шпилек, штифтов и гаек

ОСТ 1 39503-77 Длины болтов и винтов

ОСТ 1 39504-79 Головки шестигранные болтов и винтов

ОСТ 1 41471-79 Формообразование концов труб тяг управления из сплава Д16Т. Типовой технологический процесс

ОСТ 1 51730-79 Оснастка для формообразования концов труб тяг управления из сплава Д16Т

ОСТ 1 51731-79 Оснастка для формообразования концов труб тяг управления из сплава Д16Т

ОСТ 1.41001-79 Диаметры отверстий под нарезание резьбы метрической по нормали 754АТ

ОСТ 1.41002-79 Диаметры стержней под нарезание резьбы метрической по нормали 754АТ и ОСТ 1.00039-73

ОСТ 92-0762-72 Болты, винты из титановых сплавов

ОСТ 92-0912-69 Детали из высокопрочных углеродистых легированных и высоколегированных сталей. ОСТ 92-0912-69

ОСТ 92-1130-85 Детали стальные точные

ОСТ 92-1179-77 Детали и сборочные единицы из сталей марок 07Х16Н6 и 08Х17Н5М3

ОСТ 92-8653-75 по ОСТ 92-8674-75 Соединения трубопроводов по внутреннему конусу

ОСТ 92-8843-77 Крепежные детали повышенного качества

ОСТ-1-33102-80 Взамен нормали 102АТУ Гайки ОСТ-1-33102-80

Отраслевая нормаль 214АТ В замен нормали 214МТ55 метрическая резьбой со свободной посадкой

Отраслевая нормаль 714М55 pdf Кольца плоские ,стопорные технические условия

Отраслевая нормаль авиационной техники 101АТУ Взамен 201СТУ51

Отраслевая нормаль авиационной техники. Нормаль 722АТ.

Р

РЕЗЬБА МЕТРИЧЕСКАЯ

Резьба метрическая усиленная тугой посадкой сталь в алюминиевые и магниевые сплавы. Нормаль 254АТ взамен нормальный 154МТ46

Резьба метрическая. Основные размеры и допуски. Отраслевая нормаль 257АТ взамен 57АТ50 взамен 153МТ54.

РЕЗЬБА ТРАПЕЦЕИДАЛЬНАЯ

РЕЗЬБА ТРУБНАЯ ЦИЛИНДРИЧЕСКАЯ

РЕЗЬБА УПОРНАЯ

Резьба усиленная метрическая тугой посадкой сталь сталь система вала настоящая норма распространяется на резьбу усиленную метрическую тугой посадкой для сопрягаемых материалов сталь в сталь. Нормаль 122МТ53 взамен нормали 122МТ51

Резьба усиленная метрическая тугой посадкой сталь сталь система вала настоящая норма распространяется на резьбу усиленную метрическую тугой посадкой для сопрягаемых материалов сталь в сталь. Нормаль 122МТ53 взамен нормали 122МТ51

Резьбовые соединения. Резьба метрическая с натягом по посадкам 2Н5Д и 2Н5С Отраслевой стандарт ОСТ 1 04065–92

Оформите заказ или получите консультацию