ОСТ 1 10480-72 Заглушки предохранительные

ОСТ 1 10480-72 ЗАГЛУШКИ ПРЕДОХРАНИТЕЛЬНЫЕ

     Заглушки предохранительные по ОСТ 1 10480-72 - это специальный крепеж, предназначенный для предохранения штепсельных разъемов изделий от засорения и повреждений при транспортировании, хранении, ремонтных и регламентных работах. Взамен нормали 3931А.

КОНСТРУКЦИЯ И ТЕХНИЧЕСКИЕ ОСОБЕННОСТИ

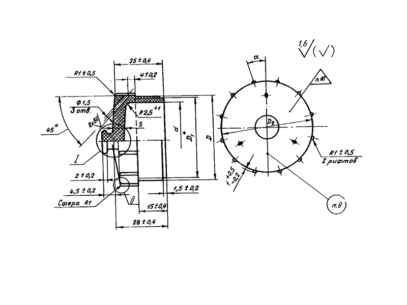
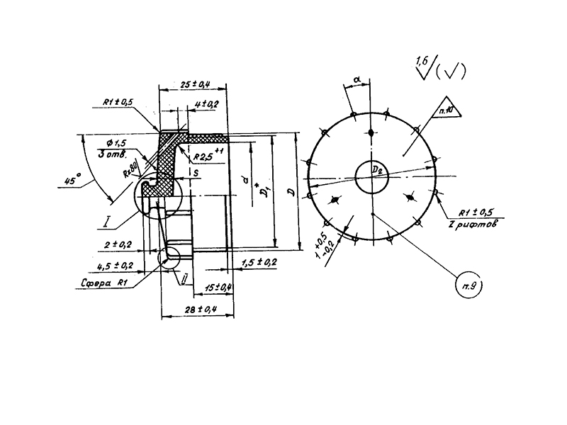
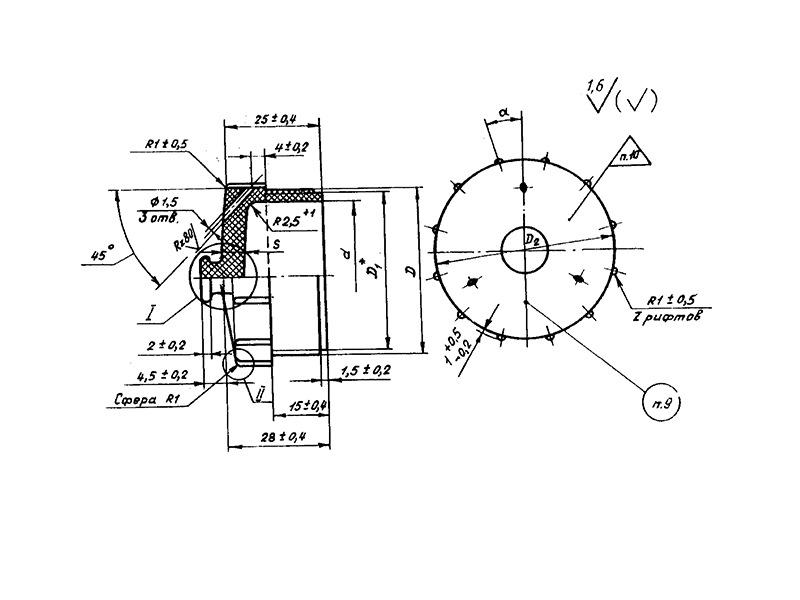
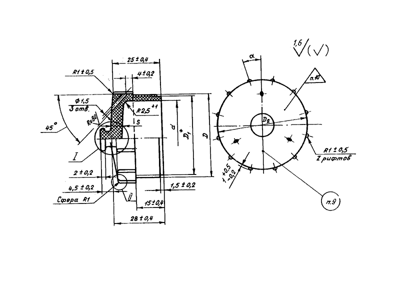
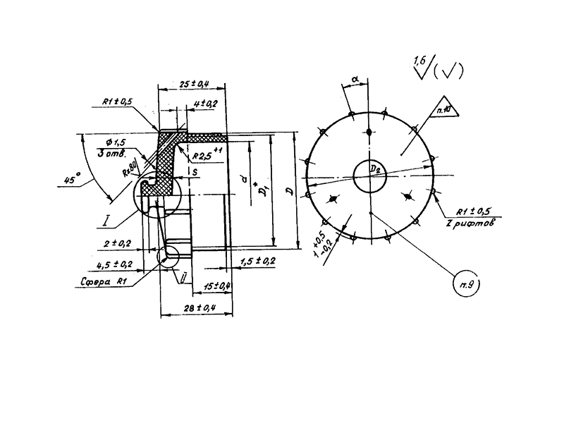
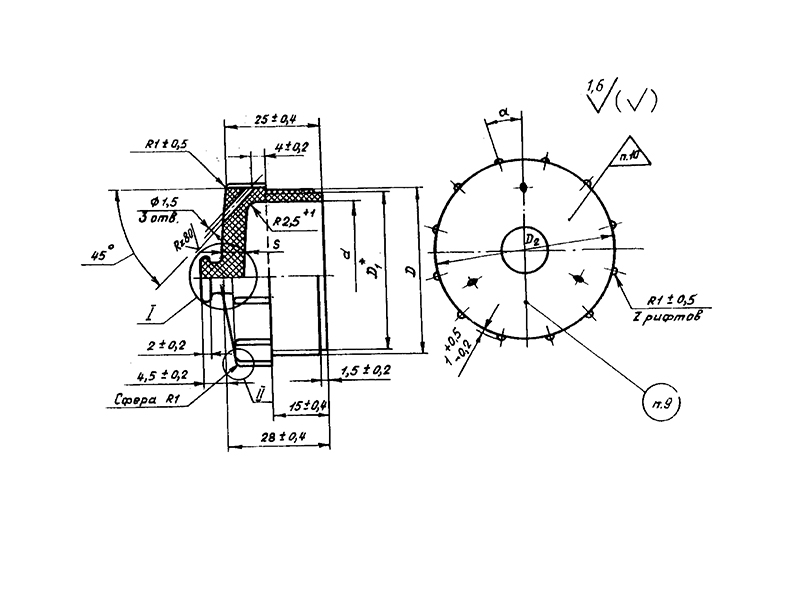
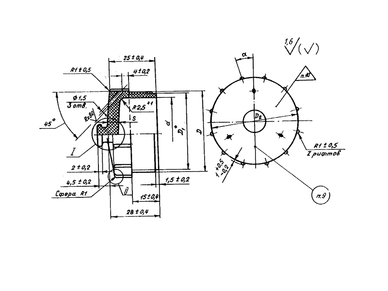
     Конструкция заглушки состоит из трубчатого корпуса с глухим концом.

     Материал изготовления: прессматериал типа ДСВ-2-Р-2М любой марки.

     Материал покрытия: без покрытия.

ОСТ 1 10480-72.pdf

Пример наименования и обозначения предохранительной заглушки типоразмера 7:

Заглушка предохранительная 7-ОСТ 1 10480-72

Заглушка предохранительная
Наименование метиза
7
Типоразмер
ОСТ 1 10480-72
Нормативно-технический документ

ПРИМЕНЕНИЕ

     Данные заглушки используются для предохранения деталей от засорения.

АНАЛОГИ

Нормаль 3931А.

ОСТ/ГОСТНормальНаименованиеТипоразмерНа складе
ОСТ 1 10480-723931АЗаглушка предохранительная1В наличии
ОСТ 1 10480-723931АЗаглушка предохранительная2В наличии
ОСТ 1 10480-723931АЗаглушка предохранительная3В наличии
ОСТ 1 10480-723931АЗаглушка предохранительная4В наличии
ОСТ 1 10480-723931АЗаглушка предохранительная5В наличии
ОСТ 1 10480-723931АЗаглушка предохранительная6В наличии
ОСТ 1 10480-723931АЗаглушка предохранительная7В наличии
ОСТ 1 10480-723931АЗаглушка предохранительная8В наличии
ОСТ 1 10480-723931АЗаглушка предохранительная9В наличии
ОСТ 1 10480-723931АЗаглушка предохранительная10В наличии

Для изготовителей и поставщиков: Добавить мои товары в базу

Для покупателей: Подать заявку на покупку

НаименованиеТипоразмерМатериалКоличество, штВес, кг
Заглушка предохранительная ОСТ 1 10480-72 3931А
О

ОСТ 1 30055-84 Накатка кольцевая стержней болт-заклепок из титанового сплава

ОСТ 1 31076-80 Маркировка крепежных изделий взамен НОРМАЛЬ 176АТ

ОСТ 1 31076-80: Маркировка крепежных изделий (взамен НОРМАЛЬ 176АТ)

ОСТ 1 38016-80 Футорки

ОСТ 1 38020-82 Втулки

ОСТ 1 39502-77 Стопорение болтов, винтов, шпилек, штифтов и гаек

ОСТ 1 39503-77 Длины болтов и винтов

ОСТ 1 39504-79 Головки шестигранные болтов и винтов

ОСТ 1 41471-79 Формообразование концов труб тяг управления из сплава Д16Т. Типовой технологический процесс

ОСТ 1 51730-79 Оснастка для формообразования концов труб тяг управления из сплава Д16Т

ОСТ 1 51731-79 Оснастка для формообразования концов труб тяг управления из сплава Д16Т

ОСТ 1.41001-79 Диаметры отверстий под нарезание резьбы метрической по нормали 754АТ

ОСТ 1.41002-79 Диаметры стержней под нарезание резьбы метрической по нормали 754АТ и ОСТ 1.00039-73

ОСТ 92-0762-72 Болты, винты из титановых сплавов

ОСТ 92-0912-69 Детали из высокопрочных углеродистых легированных и высоколегированных сталей. ОСТ 92-0912-69

ОСТ 92-1130-85 Детали стальные точные

ОСТ 92-1179-77 Детали и сборочные единицы из сталей марок 07Х16Н6 и 08Х17Н5М3

ОСТ 92-8653-75 по ОСТ 92-8674-75 Соединения трубопроводов по внутреннему конусу

ОСТ-1-33102-80 Взамен нормали 102АТУ Гайки ОСТ-1-33102-80

Отраслевая нормаль 214АТ В замен нормали 214МТ55 метрическая резьбой со свободной посадкой

Отраслевая нормаль 714М55 pdf Кольца плоские ,стопорные технические условия

Отраслевая нормаль авиационной техники 101АТУ Взамен 201СТУ51

Отраслевая нормаль авиационной техники. Нормаль 722АТ.

Р

РЕЗЬБА МЕТРИЧЕСКАЯ

Резьба метрическая усиленная тугой посадкой сталь в алюминиевые и магниевые сплавы. Нормаль 254АТ взамен нормальный 154МТ46

Резьба метрическая. Основные размеры и допуски. Отраслевая нормаль 257АТ взамен 57АТ50 взамен 153МТ54.

РЕЗЬБА ТРАПЕЦЕИДАЛЬНАЯ

РЕЗЬБА ТРУБНАЯ ЦИЛИНДРИЧЕСКАЯ

РЕЗЬБА УПОРНАЯ

Резьба усиленная метрическая тугой посадкой сталь сталь система вала настоящая норма распространяется на резьбу усиленную метрическую тугой посадкой для сопрягаемых материалов сталь в сталь. Нормаль 122МТ53 взамен нормали 122МТ51

Резьба усиленная метрическая тугой посадкой сталь сталь система вала настоящая норма распространяется на резьбу усиленную метрическую тугой посадкой для сопрягаемых материалов сталь в сталь. Нормаль 122МТ53 взамен нормали 122МТ51

Резьбовые соединения. Резьба метрическая с натягом по посадкам 2Н5Д и 2Н5С Отраслевой стандарт ОСТ 1 04065–92

Оформите заказ или получите консультацию